位置:首页 > 产品中心
高清滑环ACN-24S-04RF
品牌:CENO
产地:广东深圳
产品型式:高清滑环

产品介绍

偲诺高清滑环包括SDI高清和HDMI两大类型,可同时传输电信号以及高清视频信号、高速数字信号,满足EMC电磁兼容要求。具有传输稳定、信号衰减损耗和传输波动超低等优点。

特征

• 最高可支持2K@90Hz的视频标准,无闪屏无丢帧现象;

• 金-金接触点保证超长工作寿命;

• 接触电阻低,外形紧凑、低力矩,运行可靠;

• 金属外壳,导线规格、长度及连接器接头可选。

可选项

• 通路数 、视频规格、防护等级 、电流大小、安装方式、可集成多种信号

典型应用

• 高清安防监控,VR应用

• 红外摄影,高清云台

• 光电吊舱,雷达通讯

ACN-24S-04RF高清滑环

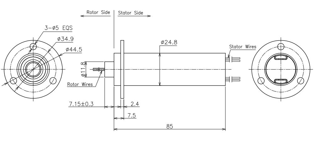
此款转关节设计有4路RF 信号(外接SMA接头),24路普通信号。这款转关节信号频率为950~1300MHz,隔离度>40dB,插入损耗小于1dB。通常转速为0-10RPM.滑环的接触材质为贵金属,外壳材质为铝合金。

产品特征: • 性能稳定,可靠性高 • 集成了射频旋转关节 • 尺寸紧凑,集成化程度高
应用: • 雷达设备 • 卫星通信设备 • 天线系统
可选项: • 防护等级 • 电流大小,信号类型 • 内径、外径尺寸 • 通路数

ACN-24S-04RF技术参数
电路 24路· 信号,4路· RF信号
工作电压 0~110V AC/DC
电阻波动值 35MΩ
绝缘电阻 50MΩ@200VDC
耐压强度 ≥200VAC@50Hz
导线规格 AWG28#铁氟龙®UL,RF 1.37
工作速度 0~10rpm
触点材料 贵金属
工作温度 -20℃~+60℃
工作湿度 60%RH
防护等级 IP40

外形尺寸:

深圳市偲诺电子科技有限公司
获取底价
提交后,商家将派代表为您专人服务
 
相关产品:
| 首页 | CAS NO | 联系我们 | 会员服务 | 推广服务 | 友情链接 |
版权所有 CopyRight © 2008-2026 粤ICP备08119708号