位置:首页 > 产品中心
ECN000-08P1-24S伺服电机滑环
品牌:CENO
产地:广东深圳
产品型式:伺服电机滑环

产品介绍

偲诺专门设计的伺服电机滑环克服了外界对滑环的干扰以及滑环内部环路间的相互干扰,解决了用户最为担心的干扰问题。

可同时传输各类不同信号,如CANbus,Profibus,RS,以太网信号等,此外,还可以同时传输电流而不影响信号的完整传输。

可集成气液旋转接头,满足客户的多功能需求。

ECN000-08P1-24S 产品特点

• 同时RS信号总线和电源环路

• 内部特殊处理,提高信噪比

• 符合EMC电磁兼容要求

可选项

• 通路数

• 防护等级

• 信号类型

• 安装方式

典型应用

• 自动化设备

• 测试设备

电滑环技术参数
环路电流 8· 5 A,10路*传感器信号,14路*伺服电机编码信号 防护等级 IP54
工作电压 380VAC/VDC 工作温度 -20℃~+60℃
绝缘电阻 500MΩ@500VDC(电流),100MΩ@100VDC(信号) 转速 0~500rpm
耐压强度 1000V(电流),300· @50hz(信号) 触点材料 贵金属
电气噪音 ≤70mΩ 壳体材料 铝合金喷砂氧化黑
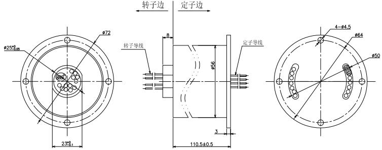
外形尺寸

深圳市偲诺电子科技有限公司
获取底价
提交后,商家将派代表为您专人服务
 
相关产品:
| 首页 | CAS NO | 联系我们 | 会员服务 | 推广服务 | 友情链接 |
版权所有 CopyRight © 2008-2026 粤ICP备08119708号