位置:首页 > 产品中心
热电偶滑环ECN155-04S
品牌:CENO
产地:广东深圳
产品型式:热电偶滑环

产品介绍

偲诺热电偶滑环有装配简单、更换方便、测温范围广(-270℃~2800℃)、测量精度高、热电偶类型可选等多项特点,其显著优势则为使用寿命长,不受环境温度变化影响。通常,有需要使用热电偶滑环的用户,最关注的是测温的准确性,而偲诺成熟的设计方案让用户体验到产品的高精确测量度,实现了特定条件下温度测量的功能。

ECN155-04S 产品特点

• 防护等级高

• 可露天使用

• 使用寿命长,免维护

• 可集成各种类型信号

可选项

• 通路数

• 电流大小

• 防护等级

• 集成信号类型

典型应用

• 污水处理

• 物料传送设备

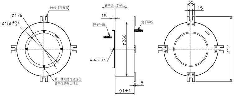
电滑环技术参数
电 流 4*K型热电偶信号 防护等级 IP54
电 压 380VAC 工作温度: -20℃~+60℃
绝缘电阻 ≥100MΩ@300VDC 工作湿度: ≤60%RH
耐压强度 ≥300VAC@50Hz 转 速 0~100rpm
电阻波动值 ≤70mΩ(50rpm) 触点材料 铝合金喷砂氧化黑
孔 径 Ø155 导线规格 K型热电偶线

深圳市偲诺电子科技有限公司
获取底价
提交后,商家将派代表为您专人服务
 
相关产品:
| 首页 | CAS NO | 联系我们 | 会员服务 | 推广服务 | 友情链接 |
版权所有 CopyRight © 2008-2026 粤ICP备08119708号