位置:首页 > 产品中心
ACN-56A-0218-08S-2E2以太网滑环
品牌:CENO
产地:广东深圳
产品型式:以太网滑环

产品介绍

以太网技术是目前最常用的网络技术,它为互联网和通信系统提供了1 GBPS的通信带宽。它具有以太网的简单性和相似速率通信系统的经济性。

偲诺针对市场需求根据百兆及千兆以太网的信号协议特点开发了百兆及千兆以太网信号滑环,设计时兼顾EMC电磁兼容及信号阻抗匹配要求,使信号传输损耗小,无误码,超长距离传输,偲诺以太网滑环能够传输高达1000Mbps的数据速率,甚至超过这个速度。此类信号也可以与其他电流环路和信号滑环路集成在同一个滑环上,满足用户各类使用需求。

特征

· 可传输100M/1000M以太网信号

· 传输稳定,不丢包,无串码,损耗小

· 能混合多路信号和电流

· 电流与信号无干扰,符合EMC电磁兼容要求

· 提供RJ45接头直接拔插

典型应用

· 转台测试设备

· 自动化设备

ACN-56A-0218-08S-2E2以太网滑环

以太网滑环专为高频传输100M / 1000M以太网信号而设计,具有传输可靠,无丢包,无串码,损耗低等优点。将各种信号和电源与RJ45连接器结合使用。

产品特征: · 传输100M以太网信号 · 混合多路信号与电流 · 电流与信号无干扰,符合EMC电磁兼容 · 传输稳定,不丢包,无串码,耗损小
应用: · 转台测试设备 · 海洋测量系统 · 测量仪器设备 · 自动化设备
可选项: · 防护等级 · 电流大小,信号类型 · 内径、外径尺寸 u通路数

ACN-56A-0218-08S-2E2技术参数
电流环数 2*百兆以太网,2*18A,8*信号
工作电压 240VAC
电阻波动值 ≤35mΩ(以 50rpm运转)
耐压强度 ≥500VAC@50Hz
绝缘电阻 ≥100MΩ@500VDC
工作速度 0~300rpm
触点材料 贵金属
工作温度 -45℃~+75℃
壳体材料 工程塑料
防护等级 IP54
导线长度 转子805mm,定子805mm

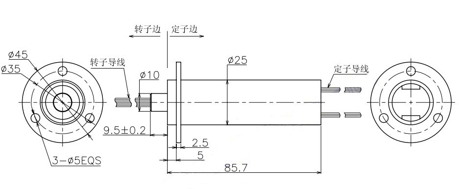
外形尺寸:

深圳市偲诺电子科技有限公司
获取底价
提交后,商家将派代表为您专人服务
 
相关产品:
| 首页 | CAS NO | 联系我们 | 会员服务 | 推广服务 | 友情链接 |
版权所有 CopyRight © 2008-2026 粤ICP备08119708号