位置:首页 > 产品中心
USB导电滑环ACN22-03P-02S-01U3
品牌:CENO
产地:广东深圳
产品型式:USB导电滑环

产品介绍

随着USB设备的普及,并且伴随着高清视频及超大存储设备的应用,更高的传输速度成为了必须的要求。USB 信号为各类通信设备提供了便捷的交互端口,因此USB2.0导电滑环在各类通信系统上也得到了广泛的应用。

偲诺的USB滑环是一个可以360度旋转传输USB信号的旋转接头,可以稳定传输IEEE1394和各种USB信号,可应用于任意需要360度旋转导电并传输1路或多路USB信号的装置,为解决旋转连接的系统部件之间的大容量数据、信号传输,提供了较佳的技术解决方案。

功能

• 传输USB1.0 USB2.0,USB3.0

• 传动平稳,无包装损耗,无串扰,损耗低

• 结合各种信号和功率

• 电源与信号电路无干扰,符合EMC要求

• 配置放大模块,如轮毂,增加传输距离

• USB插头和插头都是可用的

典型应用

• 运动模拟器

• 自动化设备

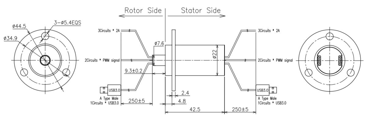
ACN22-03P-02S-01U3

这是USB3.0信号帽式滑环。 它满足USB3.0传输协议,并且与USB2.0接口兼容。 它还可以在传输USB信号的同时传输PWM

信号。 该滑环用于PC和移动设备之间的高速数据传输,例如相机或连接到高频设备的各种设备,具有标准接口,传输速率快。

产品特征: • 传输USB3.0信号 • 传输稳定,不丢包,无串码,耗损小 • 电流与信号无干扰,符合EMC电磁兼容要求
应用: • 相机稳定器 • VR设备 • 测量仪器设备 • 自动化设备
可选项: • 防护等级 • 电流大小,信号类型 • 内径、外径尺寸 • 通路数

技术参数
电流环数 1*USB3.0,3路· 2A,2*PWM信号
工作电压 0~12VAC/· DC
电阻波动值 ≤35mΩ
耐压强度 ≥300V@50Hz(功率) ≥100V@50Hz(信号)
绝缘电阻 ≥100MΩ@300VDC(功率) ≥10MΩ@100VDC(信号))
工作速度 0~300rpm
触点材料 贵金属
工作温度 -20℃~+60℃
触点材料 贵金属
工作湿度 60%RH以下

外形尺寸

深圳市偲诺电子科技有限公司
获取底价
提交后,商家将派代表为您专人服务
 
相关产品:
| 首页 | CAS NO | 联系我们 | 会员服务 | 推广服务 | 友情链接 |
版权所有 CopyRight © 2008-2026 粤ICP备08119708号