位置:首页 > 产品中心
USB滑环ECN018-04P-02U2
品牌:CENO
产地:广东深圳
产品型式:USB导电滑环

产品介绍

随着USB设备的普及,并且伴随着高清视频及超大存储设备的应用,更高的传输速度成为了必须的要求。USB 信号为各类通信设备提供了便捷的交互端口,因此USB2.0导电滑环在各类通信系统上也得到了广泛的应用。

偲诺的USB滑环是一个可以360度旋转传输USB信号的旋转接头,可以稳定传输IEEE1394和各种USB信号,可应用于任意需要360度旋转导电并传输1路或多路USB信号的装置,为解决旋转连接的系统部件之间的大容量数据、信号传输,提供了较佳的技术解决方案。

功能

• 传输USB1.0 USB2.0,USB3.0

• 传动平稳,无包装损耗,无串扰,损耗低

• 结合各种信号和功率

• 电源与信号电路无干扰,符合EMC要求

• 配置放大模块,如轮毂,增加传输距离

• USB插头和插头都是可用的

典型应用

• 运动模拟器

• 自动化设备

ECN018-04P-02U2 产品特点

• 传输USB2.0信号

• 传输稳定,不丢包,无串码,耗损小

• 低噪音,长寿命,低转矩,平稳旋转

• 电流与信号无干扰,符合EMC电磁兼容要求

• 提供USB公母接头直接拔插

可选项:

• 通路数

• 信号规格

• 电流大小

• 可集成的信号类型

典型应用:

• CCTV

• VR

• 医疗设备

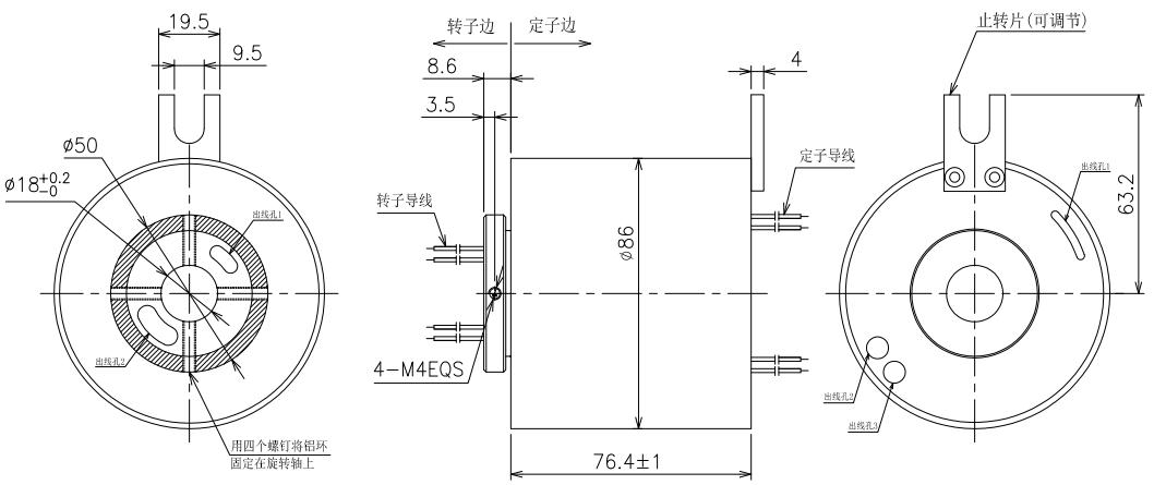
技术参数
工作速度 0-300 rpm
信号类型 &额定电流 USB2.0/3.0&10Amp 或其他可选
额定电压 380 VAC/DC
绝缘强度 ≥1500V@50Hz
绝缘电阻 ≥500MΩ @100VDC
电气噪声 <10mΩ (50rpm)
错误比率 <10E-11
连接材质 金对金
连接头类型 USB A/B/mini
工作湿度 90%RH
工作温度 -20~+80℃
防护等级 IP54
外壳材质 防绣合金

深圳市偲诺电子科技有限公司
获取底价
提交后,商家将派代表为您专人服务
 
相关产品:
| 首页 | CAS NO | 联系我们 | 会员服务 | 推广服务 | 友情链接 |
版权所有 CopyRight © 2008-2026 粤ICP备08119708号