位置:首页 > 产品中心
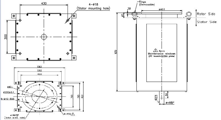
BHCN-C-07P-37S中心集电器
品牌:CENO
产地:广东深圳
产品型式:中心集电器

产品介绍

中心集电器又称大电流滑环、大功率滑环、碳刷滑环、船用滑环,可传输100A及以上的大电流,主要应用于船舶机械、工程机械、港口机械,如船用吊机、海洋平台吊机、电缆卷筒、推进器、钻井平台等复杂工况。

偲诺电子拥有丰富的设计及生产大电流中心集电器的经验,采用独特的结构设计及科学的模拟计算,充分保证每个环路过载电流,确保产品长期传输电流的稳定;同时针对不同的应用领域采用不同的整体设计思路,根据现场使用工况给出合理维护窗口及方法,产品尺寸秉承小而精的设计理念。

偲诺的中心集电器具有高导电率、高寿命、防腐蚀、性能稳定、维护方便,高防护等级、耐高低温,抗震动、抗冲击、耐高压、低电气噪音、信号传输损耗低等特点。

特征

· 大电流采用接线柱连接,接线方便;

· 信号环采用精密刷线设计,结构紧凑,信号稳定;

· 触点材质采用进口铜石墨,性能稳定,粉尘少,寿命高;

· 耐候性优良,电气安全性高;

· 特殊设计维护方便;

可选项

· 电流1-2000A可选

· 电压24-200000V可选

· 可与信号环混合设计,同时可传输RS、USB、以太网等特殊信号

· 可与编码器、光纤、高频旋转接头混合设计

BHCN-C-07P-37S 产品特点

· 安全载流大

· 寿命长,易维护

· 耐候性优良,防护等级高

· 可集成各类信号

可选项

· 通路数

· 电流大小

· 防护等级

· 集成信号类型

典型应用

· 船用吊机

· 推进器

· 钻井平台

电滑环技术参数
电 流 3*600A,1*PE,3*60A 防护等级 IP54
电 压 500VAC 工作温度 -20℃~+60℃
绝缘电阻 ≥500MΩ@500VDC 工作湿度 <100%RH
耐压强度 ≥2500VAC@50Hz 转 速 0~15rpm
接触电阻波动值 ≤10mΩ 触点材料 铜石墨,贵金属

深圳市偲诺电子科技有限公司
获取底价
提交后,商家将派代表为您专人服务
 
相关产品:
| 首页 | CAS NO | 联系我们 | 会员服务 | 推广服务 | 友情链接 |
版权所有 CopyRight © 2008-2026 粤ICP备08119708号