位置:首页 > 产品中心
PSCN022-06P盘式滑环
品牌:CENO
产地:广东深圳
产品型式:盘式滑环

产品介绍

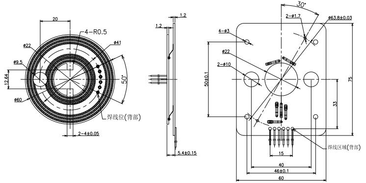
作为过孔滑环的另一种形式,偲诺电子盘式滑环的设计适用于垂直空间有限而水平空间限制较少的地方。这种类型的滑环提供了超薄厚度特殊有限的安装空间。厚度可达4毫米。通孔和无孔是可选的。

独特的高真空密封技术和贵金属刷确保了滑环的高可靠性传递和旋转性能。薄片式滑环具有转矩小、摩擦小、噪音低、寿命长等优点,主要用于与功率一起传输精确信号。

优势

· 通孔尺寸: 0 ~ 600毫米

· 厚度: 6毫米~ 51毫米

· 旋转速度: 0 ~ 500 rpm

· 寿命: 1000万

· 信号集成: RS、音频、视频、USB、以太网

PSCN022-06P 特点

· 可用于低温环境

· 接触可靠,性能稳定。

· 体积小,扭矩小,接触电阻低

可选项

· 路数

· 信号种类

· 工作温度

· 接触材质

应用

· 移动媒体系统

· 自动化设备

· 天线

· 全站仪

参 数
环路电流 6*1A 防护等级 IP00
绝缘电阻 300MΩ@500VDC 工作电压 380VAC
耐压强度 ≥100VAC@50Hz 触点材料 贵金属
工作转速 0~100rpm 导线规格 AWG28#镀锡铁氟龙®UL
工作湿度 60%RH 过孔直径 Ø22mm
工作温度 -30℃~+80℃ 壳体材料 PCB(FR-4)
接触电阻波动值 ≤10mΩ(以 50rpm运转) 安装方式 通过 螺丝固定
产品外形图

深圳市偲诺电子科技有限公司
获取底价
提交后,商家将派代表为您专人服务
 
相关产品:
| 首页 | CAS NO | 联系我们 | 会员服务 | 推广服务 | 友情链接 |
版权所有 CopyRight © 2008-2026 粤ICP备08119708号