位置:首页 > 产品中心
SCN012-04P两半式滑环
品牌:CENO
产地:广东深圳
产品型式:两半式滑环

产品介绍

偲诺两半式滑环,特殊的安装方式,简化了用户端的安装程序,大大的提升了工作效率,其简单的安装方式受到用户的热捧。

传统型的滑环通常是通过轴孔安装,必须保证滑环能穿过用户的轴再进行安装固定,但有些工况确无法满足这样的安装方式,两半式滑环解决了这类安装难题,同时,电流、信号仍然可以顺利的通过滑环传输,保证无干扰低损耗。

这是两半式滑环,或者我们可以称为纤维刷滑环,因为在这个设计中应用了纤维刷技术。易于维护,具有银内接触材料,

紧凑的尺寸,长寿命和简单的安装是这种类型的滑动的优点。
产品特征: · 易于安装,电噪声低 · 寿命长,扭矩小,旋转平稳 · 传输数据和信号,兼容数据总线协议
应用: · 测量仪 · 建筑工程 · 自动化设备
可选项: · 防护等级 · 电流大小,信号类型 · 内径、外径尺寸 · 通路数

技术参数
电流环数 4路· 2A
工作电压 10VAC
电阻波动值 ≤10mΩ
耐压强度 500VAC@50Hz
绝缘电阻 100MΩ@ 500VDC
触点材料
工作温度 -20℃~+60℃
工作速度 0~300rpm
工作寿命 1000万转

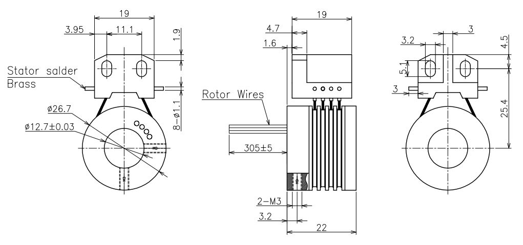
外形尺寸

深圳市偲诺电子科技有限公司
获取底价
提交后,商家将派代表为您专人服务
 
相关产品:
| 首页 | CAS NO | 联系我们 | 会员服务 | 推广服务 | 友情链接 |
版权所有 CopyRight © 2008-2026 粤ICP备08119708号