WT100P-56多路温度记录仪,温度曲线测试仪, 56路曲线版
产品介绍
华知科 WT100P-56 多路温度记录仪具备56路温度采集功能,支持-200℃至1820℃的广泛测量范围,适用于各种工业和实验室环境。该设备采用32位高速CPU和24位AD测量芯片,结合5寸工业级液晶触控屏,提供实时列表、历史曲线、柱图等多种显示方式,方便用户直观查看和分析温度数据。设备具备强大的抗干扰能力和多级报警功能,并支持多种热电偶类型输入和独立校正功能。内置大容量存储,支持长达97天的连续记录,是各行业温度监控与记录的可靠选择。 概述 本多路温度采集器采用32位高速CPU进行数据处理,采用5寸工业显示屏,支持K J E T N S R B 型热电偶输入,多种显示方式,使用者能更加直观读取各参数,仪器具有完善的功能、性能优越和操作简单的特点,能满足生产、实验室和研发测量的需求。 广泛应用于照明电器、电动工具、家用电器、电机、电热器具医药、石油、化工、冶金、电力等行业及科研单位等领域生产企业的生产线、实验室、质检部门。 按实户需求还能订制各种测量功能,来满足更高的应用。 特点 高清5寸IPS工业级液晶触控屏,分辨率854X480 采用32位高速MCU数据处理+24位高速AD测量芯片,响应速度快、精度高、稳定可靠. 多界面显示,文件列表、实时列表显示、柱图显示、实时/记录/分析曲线显示、报警列表、系统设置等. 支持4/8/16/32多界面实时数值显示. 支持多种传感器输入:K J E T N S R B 每通道可以设置使用不同热电偶类型. 可自定义每个通道的名称,并能把自定义名称导出到EXCEL. 通道间电压差可高达AC/DC 350V,超强抗干扰能力 每通道可 并具有声光报警功能。 独立设置过高过低报警值 每通道独立误差修正Y=KX+B 内置 8G超大内存 文件列表显示,最大支持64个文件,每个文件13万组数据,1秒间隔可以连续记录长达97天 记录文件可 ,U PC EXCEL 单选或多选删除和导出 盘和 直接导出 文件 双继电器报警输出. 标配 、 通讯接口 USB RS485 具有通信地址码设置,可多地多机并机使用 可提供通协议 标配USB通讯接口,可选配RS232或RS485通信接口 模块化设计,每个模块8通道,最大支持64通道,扩容自动识别 多级报警指示,HH,H,L,LL报警设置和报警指示(配有继电器输出),并可以查看历史报警记录功能
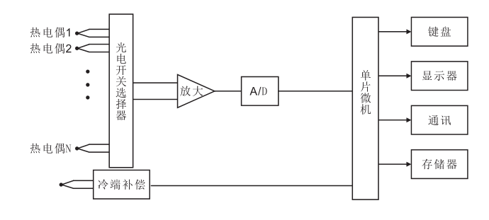
基本原理 
如图所示,仪器由热电偶、光电开关选择器、放大器、A/D、单片微机、键盘、显示器、通讯、数据存储器、冷端补偿等部分组成。 由光电开关选择器选择对应应的通道信号,经过信号放大器进行信号放大,再经过AD转换器进行模拟信号转换成数据信号到单片微机进行数据处理,由冷端补偿电路进行常温测量,得到冷端温度值,测量信号与冷端温度值经单片微机进行数据处理,最后得出正确的测量温度值在显示屏上显示出来。 键盘、通讯、数据存储器可对数据在显示屏上进行设置、存储加以分析。还可以通过通讯接口连接电脑直接由电脑进行数据分析。 面板功能 


系列型号 | WT100P-8 | WT100P-16 | WT100P-24 | WT100P-32 | WT100P-40 | WT100P-48 | WT100P-56 | WT100P-64 | | 08路 | 16路 | 24路 | 32路 | 40路 | 48路 | 56路 | 64路 | | 5寸触控屏显示,每通道独位校正,冷端校正,越限报警,列表、曲线、柱形图 |
技术参数 型号 | WT100P-56 | 显示方式 | 5寸TFT真彩液晶工业触控屏854*480像素 | 显示形式 | 实时列表,曲线(历史曲线)、柱图、当前报警(历史报警),文件记录列表。 | 记录查询 | 本机查看记录曲线、历史报警记录、电脑软件分析查询。. | 通道数量 | 56路 | 热电偶 | KJETNSRB | 基本准确度 | 0.2℃+2字(不含热电偶误差) | 测量范围 | -200~1820℃(以热电偶分度范围为准) | 冷端补偿 | 精度:0.5℃ | 分辨率 | 0.1℃ | 校正 | 每通道独立误差修正Y=kx+b(x=测量值) | 文件数量 | 64个(循环记录) | 文件容量 | 一个文件可以记录13万组数(不区分通道数) | U盘接口 | 导出记录文件,秒变U盘功能(仪器就是U盘),直接查看文件和软件. | 记录时长 | 1秒记录间隔可连续记录97天,计算总时长=记录间隔X97天。 | 采样速度 | 每通道快速:0.1S,慢速: 1S | 通道间隔离 | 交流/直流电高达350V,高压带电测量,超强抗干扰能力 | 控制输出 | 两组独立继电器输出,分别是(H/L)和(HH/LL)继电器 | 报警声 | 一路蜂鸣器响声(任意报警时响起,可设静音) | 记录间隔 | 1-9999秒任意设置 | 通讯接口 | 标配USB、RS485 | 供电电源 | AC85-265V+10%,频率50Hz/60Hz<10W | 热电偶 | 每通道配标一条2米K型热电偶 | 尺寸 | 宽220X深293X高(含脚) 1 06mm | 重量 | 约3Kg(配置不同有所区别) | 环境条件 | 5~40℃, 20%~80%RH (无结露) |
| |
相关产品:
|