WT200-40智能多路温度记录仪, 40路温度曲线记录仪
产品介绍
华知科 WT200-40 智能多路温度记录仪是一款高性能的温度监测设备,配备了高清7寸IPS工业级液晶触控屏和32位高速MCU数据处理器,确保快速响应和高精度测量。该仪器支持K、J、E、T、N、S、R、B型热电偶输入,具有0.2℃的基本测量精度和0.5℃的冷端补偿精度。其多样的显示模式和友好的操作界面使得参数读取更加直观。具备强大的数据存储功能,最大支持64个文件,每个文件可记录长达97天的数据。设备支持U盘和PC导出Excel文件,并能根据用户需求定制测量功能,广泛应用于生产线、实验室和质检部门等领域。 概述 本多路温度采集器采用32位高速CPU进行数据处理,采用7寸工业显示电容触控屏,支持K J E T N S R B型热电偶输入,多种显示方式,自主研发的操作系统,操作简单懂,多样操作提示,使用者能更加直观读取各参数,仪器具有完善的功能、性能优越和操作简单的特点,能满足生产、实验室和研发测量的需求。 广泛应用于照明电器、电动工具、家用电器、电机、电热器具、石油、化工、冶金、电力等行业及科研单位等领域生产企业的生产线、实验室、质检部门。 按实户需求还能订制各种测量功能,来满足更高的应用。 特点 高清7寸IPS工业级液晶触控屏,分辨率1024X600 采用32位高速MCU数据处理+24位高速AD测量芯片,响应速度快、精度高、稳定可靠。 多界面显示,文件列表、实时列表显示、柱图(温升)显示、实时/记录/分析曲线显示、报警列表、系统设置等. 操作提示,人性化设计,操作易懂,简单. 支持多种传感器输入 . :K J E T N S R B 测量基本精度:0.2℃+2字(不含传感器),冷端补偿精度:0.5℃ 每通道独立误差修正Y=KX+B 每通道可以设置使用不同热电偶类型 可自定义每个通道的名称,并能把名称导出EXCEL 通道间电压差可高达AC/DC 350V(可定制更高电压值),超强抗干扰能力. 文件列表显示,最大支持64个文件,每个文件13万组数据,1秒间隔能连接记录长达97天.记录间隔任意调整(hh:mm:ss)。 记录文件可单选或多选删除和导出,U盘和PC直接导出Excel文件 上位机软件和说明书文件保存在仪器内部,可经前面板USB口与PC连接打开读取 标配4种通讯接口USB、RS485、RS232、LAN(网络). 可进行详细的文件曲线分析,X轴Y轴坐标设置,曲线可以上下左右平移放大缩小,时 标线左右移动,并能显示对应的温度值,也可设置任意时段进行分析. 模块化设计,每个模块8通道,最大支持64通道,用户可自行扩容,自动识别
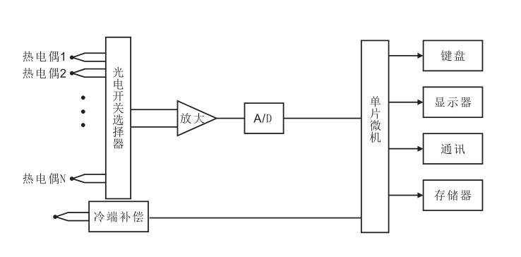
基本原理 
如图所示,仪器由热电偶、光电开关选择器、放大器、A/D、单片微机、键盘、显示器、通讯、数据存储器、冷端补偿等部分组成。 由光电开关选择器选择对应应的通道信号,经过信号放大器进行信号放大,再经过AD转换器进行模拟信号转换成数据信号到单片微机进行数据处理,由冷端补偿电路进行常温测量,得到冷端温度值,测量信号与冷端温度值经单片微机进行数据处理,最后得出正确的测量温度值在显示屏上显示出来。 键盘、通讯、数据存储器可对数据在显示屏上进行设置、存储加以分析。还可以通过通讯接口连接电脑直接由电脑进行数据分析。 


系列型号 | WT200-8 | WT200-16 | WT200-24 | WT200-32 | WT200-40 | WT200-48 | WT200-56 | WT200-64 | | 08路 | 16路 | 24路 | 32路 | 40路 | 48路 | 56路 | 64路 | | 列表、曲线、柱形图、7寸IPS触控屏显示;文件曲线分析.温升对比 (准确度:0.2℃+2字/不含热电偶误差) |
技术参数 型号 | WT200-40 | 显示方式 | 7寸TFT真彩液晶工业触控屏 | 显示形式 | 实时列表数值,实时柱形图,实时曲线图 | 记录查询 | 可在本机.上查询历史曲线,历史报警记录。 | 通道数量 | 40通道 | 热电偶 | KJETNSRB | 基本准确度 | 0.2℃+2字(不含热电偶误差) | 测量范围 | -200~1820℃(以热电偶分度范围为准) | 冷端补偿 | 精度:0.5℃ | 分辨率 | 0.1℃ | 校正 | 每通道独立误差修正Y=kx+b(x=测量值) | 文件数量 | 64个(循环记录) | 文件容量 | 一个文件可以记录13万组数(不区分通道数) | U盘接口 | 导出记录文件,也可读取内置记忆体存放的软件文件. | 记录时长 | 1秒记录间隔可连续记录97天,计算总时长=记录间隔X97天。 | 采样速度 | 每通道快速:0.1S,中速: 0. 5S,慢速: 1S | 通道间隔离 | 交流/直流电高达350V,高压带电测量,超强抗干扰能力 | 控制输出 | 标配2路继电器输出(可以设置回差值和延时) | 报警声 | 一路蜂鸣器响声(任意报警时响起,可设静音) | 记录间隔 | HH:MM:SS,时分秒任意调整(1S~24H: 60M:60S) | 通讯接口 | USB、RS485、 RS232、LAN标配四种接口。 | 供电电源 | AC85-265V士10%,频率50Hz/60Hz<10W | 热电偶 | 每通道配标一条2米K型热电偶 | 尺寸 | 宽31 0X深330X高135mm | 重量 | 约5Kg(配置不同有所区别) | 环境条件 | 5~40℃, 20%~80%RH (无结露) |
| |
相关产品:
|