位置:首页 > 产品中心
WT100S-40多路温度记录仪,温度测试仪-200~1820℃/40路
型号:WT100S-40

产品介绍

华知科 WT100S-40 多路温度记录仪具备40路温度采集能力,支持K、J、E、T、N、S、R、B型热电偶,测量范围广达-200℃至1820℃,适用于多种行业的温度监测需求。其5寸工业级液晶触控屏和32位高速MCU确保数据处理快速精确,并具备强大的抗干扰能力。该仪器支持多种显示方式、独立通道校正及报警功能,内置大容量存储,支持长时间数据记录和多种接口输出,适合生产、实验室和质检等场景。

概述

本多路温度采集器采用32位高速CPU进行数据处理,采用5寸工业显示屏,支持KJETNSRB型热电偶输入,多种显示方式,使用者能更加直观读取各参数,仪器具有完善的功能、性能优越和操作简单的特点,能满足生产、实验室和研发测量的需求。

广泛应用于照明电器、电动工具、家用电器、电机、电热器具医药、石油、化工、冶金、电力等行业及科研单位等领域生产企业的生产线、实验室、质检部门。

按实户需求还能订制各种测量功能,来满足更高的应用。

特点

▲高清5寸IPS工业级液晶触控屏,分辨率854X480..

▲采用32位高速MCU数据处理+24位高速AD测量芯片,响应速度快、精度高、稳定可靠。

▲支持4/8/16/32多 界面实时数值显示.

▲支持多种传感器输入: K JETNSRB

▲通道间电压差可高达AC/DC 350V,超强抗干扰能力.

▲每通道可独立设置过高过低报警值,并具有声光报警功能。

▲每通道独立误差修正Y=KX+B。

▲内置8G超大内存,文件列表显示,最大支持64个文件,每个文件13万组数据,1秒间隔可以连续记录长达97天。

▲记录文件可单选或多选删除和导出,U盘和PC直接导出EXCEL文件.

▲仪器秒变U盘,直接读取记录文件、说明书和软件。.

▲具有通信地址码设置,可以多地多机并机使用,提供通协议。

▲标配USB通讯接口,可选配RS232或RS485通信接口。

▲模块化设计,每个模块8通道,最大支持64通道,扩容自动识别。

基本原理

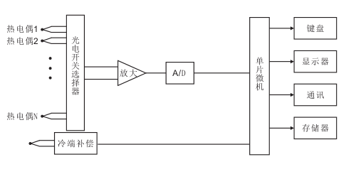
基本原理

如图所示,仪器由热电偶、光电开关选择器、放大器、A/D、单片微机、键盘、显示器、通讯、数据存储器、冷端补偿等部分组成。

由光电开关选择器选择对应应的通道信号,经过信号放大器进行信号放大,再经过AD转换器进行模拟信号转换成数据信号到单片微机进行数据处理,由冷端补偿电路进行常温测量,得到冷端温度值,测量信号与冷端温度值经单片微机进行数据处理,最后得出正确的测量温度值在显示屏上显示出来。

键盘、通讯、数据存储器可对数据在显示屏上进行设置、存储加以分析。还可以通过通讯接口连接电脑直接由电脑进行数据分析。

操作界面

系列型号

  • WT100S-32

32路,5寸触控屏显示,每通道独位校正,冷端校正,越限报警,列表数值显示

  • WT100S-40

40路,5寸触控屏显示,每通道独位校正,冷端校正,越限报警,列表数值显示

  • WT100S-48

48路,5寸触控屏显示,每通道独位校正,冷端校正,越限报警,列表数值显示

  • WT100S-56

56路,5寸触控屏显示,每通道独位校正,冷端校正,越限报警,列表数值显示

  • WT100S-64

64路,5寸触控屏显示,每通道独位校正,冷端校正,越限报警,列表数值显示

技术参数

型号

WT100S-40

通道数

40路

显示方式

5寸TFT真彩液晶工业触控屏854*480像素

显示形式

实时列表数值,当前报警列表,文件记录列表。

记录查询

在电脑软件分析查询。

通道数量

每个模块8通道.最多支持64通道

热电偶

KJETNSRB

基本准确度

0.2℃+2字(不含热电偶误差)

测量范围

-200~1820℃(以热电偶分度范围为准)

冷端补偿

精度:0.5℃

分辨率

0.1℃

校正

每通道独立误差修正Y=kx+b(x=测量值)

文件数量

64个(循环记录),文件格式: CSV (直接使用EXCEL打开)

文件容量

一个文件可以记录13万组数(不区分通道数)

U盘接口

导出记录文件,秒变U盘功能(仪器就是U盘),直接查看文件和软件.

记录时长

1秒记录间隔连续记录97天,计算总时长=记录间隔X97天。

采样速度

每通道快速:0.1S.慢速: 1S

通道间隔离

交流/直流电高达350V,高压带电测量.超强抗干扰能力

控制输出

报警声

一路蜂鸣器响声(任意报警时响起,可设静音)

记录间隔

1-9999秒任意设置

通讯接口

标配USB (可选配RS485、RS232)。

供电电源

AC85- 265V±10%,频率50Hz/60Hz<1 0W

热电偶

每通道配标-条2米K型热电偶

尺寸

宽220X深293X高(含脚) 106mm

重量

约3Kg(配置不同有所区别)

环境条件

5~40℃, 20%~80%RH (无结露)

佛山华知科电子科技有限公司
获取底价
提交后,商家将派代表为您专人服务
 
相关产品:
| 首页 | CAS NO | 联系我们 | 会员服务 | 推广服务 | 友情链接 |
版权所有 CopyRight © 2008-2026 粤ICP备08119708号