位置:首页 > 产品中心
程控耐压绝缘测试仪ZX1920SA型
型号:ZX1920SA-2, ZX1920SA-4

产品介绍

ZX1920SA 简要说明

ZX1920SA系列绝缘耐压测试仪是常州致新精密推出的一款小功率经济型智能绝缘耐压测试仪器,该系列仪器都具有电弧侦测功能和测试线接触检查功能。

ZX1920SA系列绝缘耐压测试仪独特的测试线接触检查功能,解决了用户”因测试线断线造成的不良品误判”的困扰,可广泛应用于耐压测试的半自动或自动化生产线上,大大提高产品测试的可靠性。

ZX1920SA 订购信息

● ZX1920SA-2:带2路扫描功能交直流绝缘耐压测试仪,带测试线接触检查功能。

● ZX1920SA-4:带4路扫描功能交直流绝缘耐压测试仪,带测试线接触检查功能。

ZX1920SA 性能特点

● 4.3" TFT-LCD,可完整显示测试结果,提高判读效率

● 列表显示功能,多步结果一屏显示

● 键盘锁功能,关机自动保存测试条件

● 开短路侦测功能(OSC)

● 测试线接触检查功能

● 电弧侦测功能,电流、等级两种模式可选

● 人体防触电保护功能(GFI)

● 任意设定电压上升时间、测试时间、下降时间

● 支持U盘和内部文件保存

● 电流底数清零功能

● 可通过U盘更新仪器软件

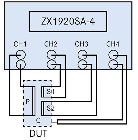
接触检查测试功能举例

要测量一只电源变压器DUT的耐压性能,测量项目如下:

(1)初级绕组P-次级绕组S1、次级绕组S2:AC耐压测试

(2)初级绕组P、次级绕组S1、次级绕组S2-磁芯C:AC耐压测试

(3)要有测试线接触检查功能,防止测试线断线引起误判。

接线方法如下图所示:

ZX1920SA-详情插图.jpg

ZX1920SA 主要技术参数

型号

ZX1920SA-2

ZX1920SA-4

通道数

2通道

4通道

耐压测试

输出电压

AC

0.05kV~5.00kV ±2%

DC

0.05~6.00kV ±2%

电压调整率

≤(1.0%+10V)(额定功率)

电流测试范围

AC

0~20.00mA

DC

0~10.00mA

测试精度

±(5.0%读数+5个字)

快速放电

测试结束后自动放电(DCW)

绝缘电阻测试

输出电压

0.05~1.00kV±2%

电阻测试范围

0.1~10GΩ

电阻测试精度

50V~1000V

0.1~999MΩ±10%

1.00~10GΩ±20%

放电功能

测试结束后自动 放电(DCW)

电弧侦测

测量范围

AC

1~9级(出厂默认为5)(对应电流:20mA,18mA,16 mA, 14 mA, 12 mA, 10 mA, 7.7 mA, 5.5 mA, 2.8 mA)

DC

1~9级

一般参数

存储器

120组,每组100步

电压上升时间

0.1s~999.9s

电压跌落时间

0.1s~999.9s

电压等待时间

0.2s~999.9s

测试时间设定

0.2s~999.9s

接口

标配

HANDLER、RS232、USBHOST(U盘接口)

尺寸(WxHxD)

310x110x415mm

重量

15.5Kg

常州市致新精密电子有限公司
获取底价
提交后,商家将派代表为您专人服务
 
相关产品:
| 首页 | CAS NO | 联系我们 | 会员服务 | 推广服务 | 友情链接 |
版权所有 CopyRight © 2008-2026 粤ICP备08119708号