位置:首页 > 产品中心
绝缘耐压测试仪(带接触检查) ZX9501SA型
型号:ZX9501/ZX9501S/ZX9501B/ZX9501C/ZX9502

产品介绍

ZX9501SA系列 绝缘耐压测试仪(带接触检查) 概述

ZX9501SA系列绝缘耐压测试仪采用800*480彩色液晶显示屏,其输出电压的大小、输出电压的上升、测试、下降时间、输出电压的频率完全由MCU控制,能实时显示击穿电压的电流值和电压值,全系列仪器都具有电弧侦测功能和测试线接触检查功能。

ZX9501SA系列绝缘耐压测试仪独特的测试线接触检查功能,解决了用户”因测试线断线造成的不良品误判”的困扰,可广泛应用于耐压测试的半自动或自动化生产线上,大大提高产品测试的可靠性。

ZX9501SA系列 绝缘耐压测试仪(带接触检查) 产品特点

● 中英文操作界面

● 列表显示功能,多步结果一屏显示

● 键盘锁功能,关机自动保存测试条件

● 开短路侦测功能(OSC)

● 测试线接触检查功能

● 不良品声光报警功能

● 快速放电功能

● 电弧侦测功能,电流、等级两种模式可选

● 人体防触电保护功能(GFI)

● 任意设定电压上升时间、测试时间、下降时间

● 支持U盘和内部文件保存

● 电流底数清零功能

● 可通过U盘更新仪器软件

订购信息

● ZX9501SA-4:带4路扫描功能交直流绝缘耐压测试仪,带测试线接触检查功能。

● ZX9501SA-8:带8路扫描功能交直流绝缘耐压测试仪,带测试线接触检查功能。

● ZX9501SA-16:带16路扫描功能交直流绝缘耐压测试仪,带测试线接触检查功能。

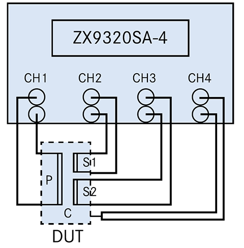
性能特点触检查功能的测试应用举例

要测量一只电源变压器(DUT)的耐压性能,测量项目如下:

(1)初级绕组P - 次级绕组S1、次级绕组S2:AC耐压测试

(2)初级绕组P、次级绕组S1、次级绕组S2 - 磁芯C:AC耐压测试

(3)要有测试线接触检查功能,防止测试线断线引起误判。

接线方法如下图所示:

201810021054249434.png

在测试前,ZX9501SA系列耐压测试仪先进行测试线的接触检查,如果检测到测试线断线或接触不良,则仪器会报警提示”CHECK FAIL”(测试线接触不良),并终止测试。如果接触检查通过,则继续进行后面的耐压测试。

ZX9501SA系列 绝缘耐压测试仪(带接触检查) 技术参数

型号

ZX9501

ZX9501S

ZX9501B

ZX9501C

ZX9502

耐压测试

输出电压

AC

0.05kV~5kV ±(1.0%读数+5个字)(50Hz、60Hz可 选)

0.05kV~10kV±(1.0%读数+5个字)(50Hz、

60Hz可选)

DC

0.05kV~6kV ±(1.0%读数+5个字)

------

0.05kV~10kV±(1.0%读数+5个字)

电压调整率

≤(1.0%+10V)(额定功率)

电流测试范围

AC

0.1mA~30mA

0.1mA~20mA

0.1mA~20mA

DC

0.01mA~10mA

0.01mA~5mA

------

0.1mA~5mA

测试精度

±(1.0%读数+5个字)

------

±(1.0%读数+5个字)

放电功能

测试结束后自动放电(DCW)

------

测试结束后自动放电(DCW)

绝缘电阻测试

输出电压

0.05kV~1kV ±(1.0%读数+2V)

------

0.05kV~1kV ±(1.0%读数+2V)

电阻测试范围

0.1MΩ~10GΩ.(电流范围在

10nA~10mA)

------

0.1MΩ~10GΩ.(电流范围在10nA~10mA)

电阻测试精度

500V~1000V

1MΩ~1GΩ±(5%读数+5个字)

------

1MΩ~1GΩ±(5%读数+5个字)

1GΩ~10GΩ±(10%读数+5个字)

1GΩ~10GΩ±(10%读数+5个字)

50V~500V

0.1MΩ~1GΩ±(10%读数+5个字)

------

0.1MΩ~1GΩ±(10%读数+5个字)

放电功能

测试结束后自动放电

------

测试结束后自动放电

电弧侦测

测量范围

AC

1~9级(出厂默认为5)

(对应电流:20mA,18mA,16 mA, 14 mA, 12 mA, 10 mA, 7.7 mA, 5.5 mA, 2.8 mA)

DC

1~9级

1~9级

------

1~9级

一般参数

八路矩阵扫描器

------

------

------

存储器

120组,每组100步

电压上升时间

0.1s~999s

电压跌落时间

0.1s~999s

电压等待时间

0.1s~99.9s(仅直流)

测试时间设定

0.3s~999s

接口

标配

RS232、USB、HANDLER、REMOTEI/O

选件

GPIB、SCAN

常州市致新精密电子有限公司
获取底价
提交后,商家将派代表为您专人服务
 
相关产品:
| 首页 | CAS NO | 联系我们 | 会员服务 | 推广服务 | 友情链接 |
版权所有 CopyRight © 2008-2026 粤ICP备08119708号