张力传感器HPB型
产品介绍
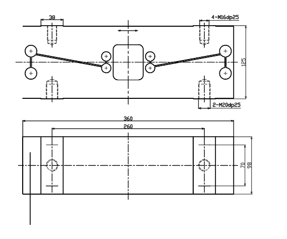
HPB系列 张力传感器 200kg...2000kg Maximum capacity (Emax)额定载荷(kg): 200,500,1000,2000 HPB系列张力传感器,主要用于测量水平张力,采用一体化结构,具有动态响应快和稳定性高的特点,下枕式安装、结构简单、使用方便。广泛应用于复合、涂布、剪切、造纸、橡胶、纺织、电线、电缆及胶片等胶卷取控制设备和生产线上。 外形尺寸图: 
接线图: 
技术参数 | 型号 | HPB系列 | Rated Load | 额定载荷 | kg | 200,500,1000,2000 | Rated Output | 额定输出 | MV/V | 1 | Zero balance | 零点平衡 | %R.O | ±1 | Comprehensive Error | 综合误差 | %R.O | ±0.3 | Nolinear | 非线性 | %R.O | ±0.3 | Lag | 滞后 | %R.O | ±0.2 | repeatability | 重复性 | %R.O | ±0.1 | Temp. compensated | 正常工作温度范围 | ℃ | -10-+40 | Safe temp. range | 允许工作温度范围 | ℃ | -20-+70 | Temp.effect/10℃ on output | 温度对灵敏度影响 | %R.O./10℃ | 0.1 | Temp.effect/10℃ on zero | 温度对零点影响 | %R.O./10℃ | 0.1 | Rated excitation | 激励电压 | VDC | 5-12 | Maximum excitation | 最大激励 | VDC | 15 | Input impedance | 输入阻抗 | Ω | 410±10 | Output impedance | 输出阻抗 | Ω | 350±3 | Insulation resistance | 绝缘阻抗 | MΩ | >3000 | Safe overload | 安全载荷 | %R.C. | 200 | Ultimate overload | 极限载荷 | %R.C. | 300 | Material | 材料 | | alloy steel | Degree of protection | 保护等级 | | IP66 | Cable length | 线长 | m | 5 | Cable color code | 接线 | | Red(+E) Black(-E) Green(+S) White(-S) |
| |
沈阳百坦科技有限公司
手机: 13911001672 地址: 沈阳市和平区南堤西路501号远洋蓝钻1号楼22层
相关产品:
|