张力传感器BTS型
产品介绍
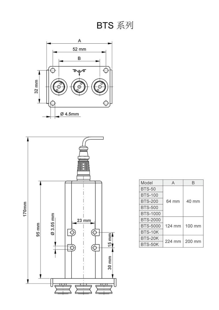
BTS系列 张力传感器 BTS系列张力传感器适合于铜线,漆包线,钢丝,纱线等各种线材的张力测量和监控。 

技术参数 | 型号 | BTS系列 | | 测量范围 | 0-0.5N 至0-1000N | | 综合误差 | ±1%FS | | 重复性 | <±0.03%FS | | 蠕变 | 正负0.05%FS/5mins | | 标定 | 按百坦科技公司出厂程序标定 | | 参考激励电压 | 5-10VDC | | 输入阻抗 | 350±5 | | 输出阻抗 | 350±5 | | 绝缘电阻 | ≥3000MΩ(50VDC) | | 零点输出 | <0.1mv/v | | 零点温度影响 | ±0.05%FS/10℃ | | 灵敏度温度影响 | ±0.05%FS/10℃ | | 过载保护 | 200%FS | | 空气湿度 | 85%最大相对湿度 | | 工作温度范围 | -10到+40℃ | | 传感器外壳 | 铝制 | | 净重(毛重) | 约400g | | 连接电缆 | 4*0.2²高效屏蔽电缆,3m长。∅6,保护材料为PVC | 接线方法 | 激励电压+:红色 激励电压-:黑色 输出信号+:绿色 输出信号-:白色 屏蔽线:银色 |
型号参数 型号 | 张力范围 | 标定材料 | BTS-50 | 0.5-50.0cN | φ0.12mm(聚酰胺单丝) | BTS-100 | 1.0-100.0 cN | φ0.12mm(聚酰胺单丝) | BTS-50 | 2.0-200.0 cN | φ0.2mm(聚酰胺单丝) | BTS -500 | 5.0-500.0 cN | φ0.2mm(聚酰胺单丝) | BTS -1000 | 10-1000 cN | φ0.4mm(聚酰胺单丝) | BTS-2000 | 20-2000 cN | φ0.7mm(聚酰胺单丝) | BTS-5000 | 50-5000 cN | φ1.2mm(聚酰胺单丝) | BTS -10K | 1.0-100.0N | φ1.2mm (聚酰胺单丝) | BTS -20K | 2.0-200.0N | φ2mm (钢丝绳) | BTS-50K | 5.0-500.0N | φ2mm(钢丝绳) | BTS-100K | 10-1000N | φ2mm(钢丝绳) |
| |
沈阳百坦科技有限公司
手机: 13911001672 地址: 沈阳市和平区南堤西路501号远洋蓝钻1号楼22层
相关产品:
|