位置:首页 > 产品中心
141型可更换测杆型内径千分尺IMS

产品介绍

141系列 可更换测杆型内径千分尺 IMS

使用一个主尺与可更换测杆及接长杆结合使用,可以扩大内径测量范围。

接长杆 :1个(IMS-50 - 300WR)/2个(IMS-500 - 1000)

可更换测杆 :2个(IMS-50, 50W)

:3个(IMS-200R, 200WR)

:5个(IMS-300R, 300WR)

:3个(IMS-500)

:8个(IMS-1000)

接长测杆 :1个(IMS-200R - 300WR)

带延长手柄(IMS-50 - 300WR)

需基点调整。

设置环规(300mm以下),陶瓷内径千分尺检查规,量块套装等基准规配备齐全,可用于基点调整

技术参数

货号

型号

测量范围 (mm)

分度值 (mm)

测微头行程 (mm)

备注

141-001 / 141-003*

IMS-TM/IMS-TMW

25 - 32

0.01

7

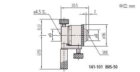
141-101 / 141-103*

IMS-50 / IMS-50W

25 - 50

带有2个测杆

141-025 / 141-027*

IMS-DMR/IMS-DMWR

50 - 63

13

141-205 / 141-211*

IMS-200R / IMS-200WR

50 - 200

带有3个测杆

141-206 / 141-212*

IMS-300R / IMS-300WR

50 - 300

带有5个测杆

141-009 / 141-011*

IMS-LM/IMS-LMW

200 - 225

25

141-117

IMS-500

200 - 500

带有3个测杆

141-118

IMS-1000

200 - 1000

带有8个测杆

尺寸

141系列-1.png

日本三丰Mitutoyo公司
获取底价
提交后,商家将派代表为您专人服务
 
相关产品:
| 首页 | CAS NO | 联系我们 | 会员服务 | 推广服务 | 友情链接 |
版权所有 CopyRight © 2008-2026 粤ICP备08119708号