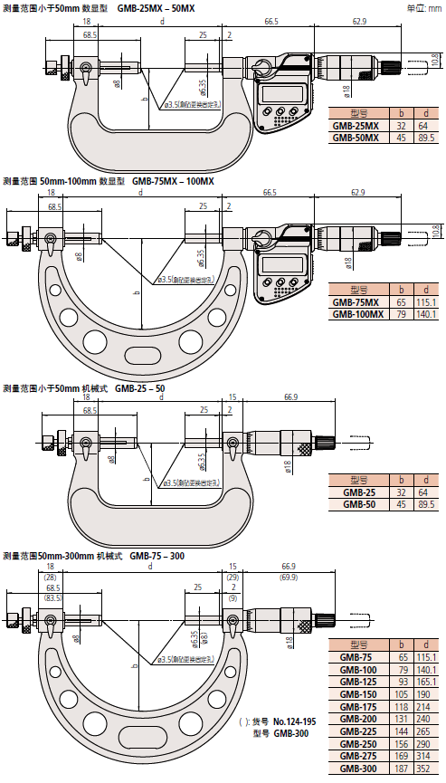
GMB-MX/GMB系列 齿厚千分尺
可使用钢(硬质合金)球型测砧副检测齿轮的跨棒距。
GMB-MX达到IP65防水/防尘防护等级的防水型数显齿厚千分尺。
跨棒距的测量 :参见B-68页“精密量仪 · 量具的小知识”。
选择不同的可更换球型测砧副型,可测量不同模数的齿轮(0.5 - 5.25)。
带有恒定测力的装置。
可更换球型测砧副是选件。
技术参数
货号 | 型号 | 测量范围(mm) | 分辨力(mm) | 测微螺杆的进给误差 (µm) |
数显型 (LCD) |
324-251-30 | GMB-25MX | 0 - 25 | 0.001 | 3 |
324-252-30 | GMB-50MX | 25 - 50 |
324-253-30 | GMB-75MX | 50 - 75 |
324-254-30 | GMB-100MX | 75 - 100 |
货号 | 型号 | 测量范围(mm) | 分度值(mm) | 测微螺杆的进给误差 (µm) |
机械式 |
124-173 | GMB-25 | 0 - 25 | 0.01 | 3 |
124-174 | GMB-50 | 25 - 50 |
124-175 | GMB-75 | 50 - 75 |
124-176 | GMB-100 | 75 - 100 |
124-177 | GMB-125 | 100 - 125 |
124-178 | GMB-150 | 125 - 150 |
124-179 | GMB-175 | 150 - 175 |
124-180 | GMB-200 | 175 - 200 |
124-181 | GMB-225 | 200 - 225 |
124-182 | GMB-250 | 225 - 250 |
124-183 | GMB-275 | 250 - 275 |
124-195 | GMB-300 | 275 - 300 |
尺寸
