位置:首页 > 产品中心
角位变送器KINAX 2W2
型号:KINAX 2W2
产地:天津

产品介绍

角位变送器KINAX 2W2模拟,适用于各种恶劣的条件,通过软件进行参数设置,没有磨损和维护成本,通过软件进行参数设置。

KINAX 2W2可编程角位置轴变送器可以安装。

将轴位置转换为负载无关直流信号,并与角轴位置对应成比例。

产品特点

• 紧凑型角位置变送器可以安装到其他设备

• 电容扫描系统在激活后立即提供**位置

• 没有磨损,低的年度维修费用以及在任何地点可安装

• 零点和测量范围可调

• 小启动转矩<0.001Ncm

• 小轴承运行影响<0.1%

• 可用防爆保护"本质安全"Ex ia IIC T6

• 可安装于危险区域

技术数据

• 测量范围: 可编程在范围0 … 10°, 0 … 50°, 0 … 350°

• 测量输出: 4...20mA带2线连接

• 供电电源: 12...33V DC(非本质安全版本),12...30V DC(本质安全版本)

• 输出电流的残余纹波:< 0.3% p.p.

• 精度: 误差极限≤0.5%

• 可重复性:< 0.2%

• 响应时间:< 5 ms

• 电连接: 焊接终端(保护等级IP00符合EN60529)或带螺旋终端接线打印

• 起动转矩: <0.001Ncm带2mm轴,<0.03Ncm带6mm轴分别为1/4"

• 间隙影响:±0.1 %

• 驱动轴直径: 2mm,6mm奇数1/4"

• 允许轴静态负荷:

pB6eFhWJRcq5NgNsyEoTCw.png

• 安装位置: 任意

• 材料: 铬铝

• 轴:防锈硬化钢

• 重量: 约100g

SvHuTzV7QXKN7Q09w0GDCA.png

环境条件及符合标准

• 气候等级:标准(Non-Ex):温度– 25 … +70 °C,相对湿度≤95%,不凝结。

• 带有改进气候等级(Non-Ex):温度– 40 … +70 °C,相对湿度≤95%,不凝结。

• 防爆保护:温度在T6– 40 … +55 °C,温度在T5– 40 … +70 °C,温度在T4– 40 … +75 °C

• 外壳保护:IP50符合EN60529标准

• 抖动:IEC 60 068-2-6, 50 m/s2 / 10 … 200 Hz(每2小时在3个方向内)

• 震动:IEC 60 068-2-27, ≤500 m/s2(每个轴和方向10个脉冲)

• 电磁适应性:标准适用于抗扰度EN61000-6-2和观察干扰发射EN61000-6-4

• 防爆保护:本质安全Ex II 2 G / Ex ia IIC T6 符合EN 60 079-0: 2006和EN 60 079-11: 2007

防爆保护数据(保护类型《本质安全》

e3Vfv9sETve38gCmYR-V9A.png

基本配置

PFOtJNIYR1ilFcq1X8QD3g.png

文件记录

wCWs02xJTwCxag2E814knQ.png

认证

U3CCftLySaC20KZDKEmBYA.png

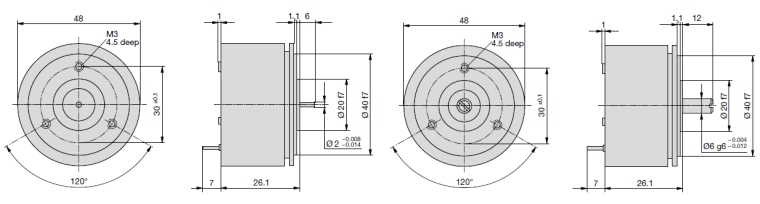
外形尺寸

N1UbOFbORmyjRHmQzkOxQg.png

技术参数

1654591767758768.jpg

高美测仪(天津)科技有限公司
获取底价
提交后,商家将派代表为您专人服务
 
相关产品:
| 首页 | CAS NO | 联系我们 | 会员服务 | 推广服务 | 友情链接 |
版权所有 CopyRight © 2008-2026 粤ICP备08119708号