位置:首页 > 产品中心
角位变送器KINAX WT720
型号:KINAX WT720
产地:天津

产品介绍

KINAX WT720可编程轴变送器用于重载应用的角位置,直径58mm。将轴角位置转换为一个负载无关直流信号,并与角旋转位置对应成比例。

产品性能特点

• 经久耐用的角位置变送器适用于众多领域

• 高级别机械和电子安全

• 电容扫描系统在激活后立刻提供**位置

• 通过一个开关和两个按键可调测量范围和旋转方向

• 零点位置和最终位置独立可调

• 输出值得线性和V特性自由可调

• 没有磨损,低的年度维修费用以及在任何地点可安装

• 振动和抗冲击

• 模拟输出信号4...20mA,2线连接

• 防爆保护符合ATEX和IECEx标准

• 适用于远洋船舶符合GL标准

技术数据

• 测量范围: 自由可编程在0...360°内

• 测量输出: 4...20mA,2线连接

• 供电电源: 12...30V DC(防止极性错误)

• 输出变量I 负载无关DC电流,与输入角度对应成比例

• 最大剩余纹波:< 0.3% p.p.

• 精度: 错误极限≤±0.5%(在参考条件下)

• 旋转方向: 顺时针或逆时针旋转方向可调

• 电连接: 旋转式接线端子或插塞接头M12,4极

• 起动转矩:< 0.03 Nm

• 空隙影响:±0.1%

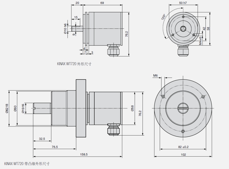
• 转动轴直径:10 mm

• 19mm,带有适配凸缘NLB1019

• 轴容许静载荷: 最大80N(辐射式的),最大40N(轴向的)

• 安装位置: 任意

• 材料: 前面板:铝

• 后面板:铝阳极氧化

• 轴:防锈处理,硬化钢

• 连接: 电缆接头金属或插头金属(M12/4极)

• 重量: 约重360g,约重900g,带适配凸缘

环境条件及符合标准

• 气候等级:标准(Non-Ex):温度– 40 … +85 °C,防爆保护:温度– 40 … +70 °C,相对湿度≤95%,不凝结

• 外壳保护:IP67符合EN60529标准,IP69k符合EN40050-9标准

• 抖动:IEC 60 068-2-6, 100 m/s 2 / 10 … 500 Hz

• 震动:IEC 60 068-2-27, ≤1000 m/s 2 / 11 ms

• 电磁适应性:标准适用于抗扰度EN61000-6-2和观察干扰发射EN61000-6-4

编程

变送器通过开关和按键进行编程。打开顶盖后可将编程可视化。

零点位置和终点位置通过按键可分别编程。旋转方向和输出曲线形状(线性或V特性)可以通过DIP开关自由编程。

NsjqvthiTdeFiUJ7hhcLKA.png

附件

fVErj7DXRyO-ZTOtBgIcZg.png

文件记录

NGjIZrKnQsqxwCek6LlBDQ.png

认证

cB_9tkDnTtqsziwfDy8kAw.png

外形尺寸

YtJV-RGEQjCOgtEHS18ZKg.png

高美测仪(天津)科技有限公司
获取底价
提交后,商家将派代表为您专人服务
 
相关产品:
| 首页 | CAS NO | 联系我们 | 会员服务 | 推广服务 | 友情链接 |
版权所有 CopyRight © 2008-2026 粤ICP备08119708号