位置:首页 > 产品中心
DJ26阻旋料位开关(顶装摆轴式)
型号:DJ26
品牌:德国 MOLLET

产品介绍

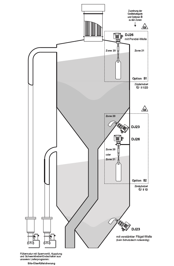
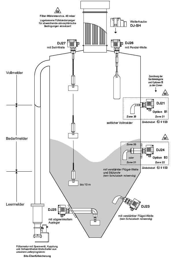
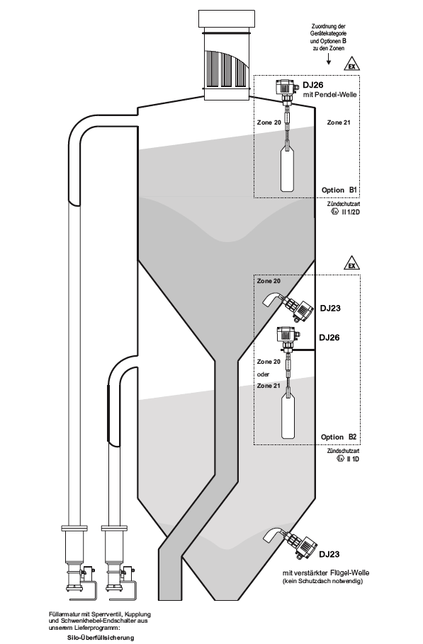
德国MOLLET阻旋料位开关顶装摆轴式DJ26在所有的大宗物料测量中作为筒仓和开放仓的满、空等需求的指标。独立的单元配置提供了许多选择和广泛的配件能够准确地适应具体的应用。

产品特点:

· 摆轴*长1500毫米

· 通过集成的应变救济没有弯曲的轴

· 不受压力,温度,灰尘,结块,物料的导电性影响

· 适用于危险区域

· 应用范围广

· 性价比高

· 高可靠性

· 免维护操作

工作原理

应用范围

阻旋料位开关DJ26在所有的大宗物料测量中作为筒仓和开放仓的满、空等需求的指标。独立的单元配置提供了许多选择和广泛的配件能够准确地适应具体的应用。

粮食筒仓,谷物粉磨机,饲料装置,水泥,混凝土搅拌设备,沙子,卵石,砂砾,球团矿木材,木材废料,木头碎片,筒仓散装货物,料仓,塑料筒仓,大型筒仓,容器,卸出输送管,输送机,升降机,输送机传送带,装卸设备,加载料仓,除尘器灰斗,聚乙烯料位开关,粮食物位计,硅酸盐料位仪,珍珠岩料位控制器,咖啡粉料位计,西门子料位计,粉状炭黑储罐料位仪,粉罐料位开关,聚乙烯颗粒料位开关,感应式料位开关,水泥厂料位开关,烟草料位开关,小麦料位计,可可粉料位仪,飞灰料位控制器,飞灰料位计,飞灰料位开关,飞灰物位计,飞灰物位开关,稻壳灰料位,白炭黑,料位,磨细矿渣粉,硅灰,铁灰,沸石粉,活性炭

介可视(北京)机电技术有限公司
获取底价
提交后,商家将派代表为您专人服务
 
相关产品:
| 首页 | CAS NO | 联系我们 | 会员服务 | 推广服务 | 友情链接 |
版权所有 CopyRight © 2008-2026 粤ICP备08119708号