位置:首页 > 产品中心
DJ25阻旋料位开关高强度抗冲击防爆直角型
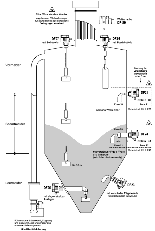
型号:DJ25
品牌:德国 MOLLET

产品介绍

DJ25在所有的大宗物料测量中作为筒仓和开放仓的满、空等需求的指标。 独立的单元配置提供了许多选择和广泛的配件能够准确地适应具体的应用。

工作原理

应用范围

DJ25在所有的大宗物料测量中作为筒仓和开放仓的满、空等需求的指标。 独立的单元配置提供了许多选择和广泛的配件能够准确地适应具体的应用。

粮食筒仓,谷物粉磨机,饲料装置,水泥,混凝土搅拌设备,沙子,卵石,砂砾,球团矿木材,木材废料,木头碎片,筒仓散装货物,料仓,塑料筒仓,大型筒仓,容器,卸出输送管,输送机,升降机,输送机传送带,装卸设备,加载料仓,除尘器

介可视(北京)机电技术有限公司
获取底价
提交后,商家将派代表为您专人服务
 
相关产品:
| 首页 | CAS NO | 联系我们 | 会员服务 | 推广服务 | 友情链接 |
版权所有 CopyRight © 2008-2026 粤ICP备08119708号