位置:首页 > 产品中心
CCN12A帽式滑环
品牌:CENO
产地:广东深圳
产品型式:帽式滑环

产品介绍

帽式滑环系列产品,结构紧凑,体积小,360度无限制旋转的图像及数据传输,工作噪音低,寿命长,转动力矩小。产品规格有多项可选项,如通路数、壳体材质、防护等级、工作转速、工作温度、线材规格、线材长度、端子接插件等参数,均可根据客户具体要求制作。

产品特点

· 体积小,结构紧凑

· 采用**级表面处理工艺,金对金触点

· 接触电阻小,电气噪音低,运转平滑力矩小

· 传输数据和模拟信号,与数据总线协议兼容

可选项

· 通路数:1路到200路可选

· 防护等级:IP51到IP68可选

· 工作温度:-55~250℃可选

· 支持多种信号、功率混合传输

· 导线长度、出线方式、端子接插件

典型应用

安防监控、LED自动化设备 、雷达天线、转台、**设备 、无人机、机器人、机械手 、医疗设备、仪器仪表

CCN12A

产品特点:

·贵金属接触保证超长工作寿命

·金-金触点,接触电阻极低

·兼容数据总线协议

·运转平滑

·低力矩

·结构紧凑

可选项:

·工作速度

·更多通路数

·信号及电源可单独或混合传输

·电流、电压

·连接端子

·防护等级

·外壳材质

典型应用:

·闭路监控球形云台

·电气测试设备

·制造和处理控制设备

·旋转工作台

·机器人

·展览/显示设备

·医疗设备

·无人机

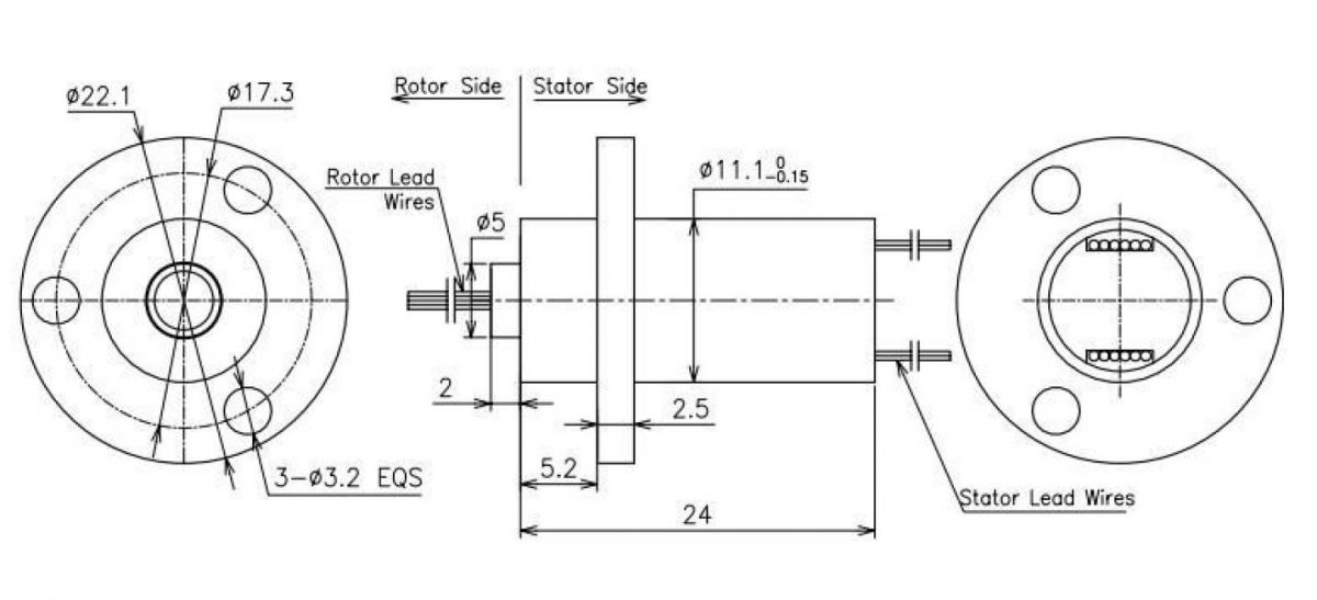
CCN12A技术参数
工作转速 0-300 rpm
通路数 12
额定电流 1A/路
额定电压 240 VAC/DC
外径 11.1mm
工作湿度 60%RH或更高
电气噪音 <1m Ω
工作温度 -20~+80℃
防护等级 IP54
外壳材质  不锈钢
触点材质 贵金属
导线规格 30#铁氟龙
可选项 • 导线规格 • 工作转速

深圳市偲诺电子科技有限公司
获取底价
提交后,商家将派代表为您专人服务
 
相关产品:
| 首页 | CAS NO | 联系我们 | 会员服务 | 推广服务 | 友情链接 |
版权所有 CopyRight © 2008-2026 粤ICP备08119708号