位置:首页 > 产品中心
SWM卧式密闭砂磨机
品牌:HONGDA
产地:重庆
设备外型:卧式
设备结构:棒销式

产品介绍

精细研磨之最,粒度分布最窄,结构简炼、功能强劲,研磨效率比普通砂磨机效率高30%。

□绿色环保: 密闭生产,防止溶剂挥发,有利环境、工人健康。

□换色、维修方便:配有折装支架,轻松移开筒体,换色、清洗、维修都很方便。

□配件可靠:气泵、主要密封环全部进口产品,调好参数、轻按电钮、即刻生产。

□冷却强劲:双水道强力冷却,一样的外形,两倍的强劲。

□出料畅快:动态分离器出料,再加上出料筛圈出料。

□性能:安全、可靠

超压超温自动停机,润滑油循环,自动显示,泵电机未起动,主电机不能起动。

□选择多样:整机:有碳钢型、不锈钢型。分散盘材料:有耐磨钢、不锈钢、聚氨酯橡胶。电器:有隔爆型、普通型。

广泛应用于是湿法、分散研磨工艺生产的各种产品

●涂料 ●油漆 ●油墨 ●磁记绿材料 ●印染 ●皮革化工 ●化妆品 ●农药

工作原理

卧式密闭砂磨机是一种采用湿法研磨分散、筒体水平安装、连续密闭生产的高效化工设备;气动双隔膜泵(或齿轮泵)将经过预分散、润湿处理的固液相混合物料输入筒体内,物料和筒体内的研磨介质一起被高速旋转的分散器组所搅动,使物料中的固体颗粒和研磨介质间产生强烈的碰撞、剪切,在短时间内达到物料颗粒的磨细和分散聚集体的目的。研磨分散物料效果、效率极佳,是生产高档油漆、油墨、染料等产品的重要设备。

1、进料口
2、冷却水进口
3、内筒体
4、分散器组
5、出水口
6、加珠口
7、出水口
8、冷却水进口
9、出料口
10、机械密封
11、动态分离器
12、静态分离器(出料筛圈)
13、放料放珠口

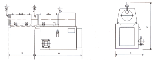
外型尺寸图            


参数机型SWM5SWM20

SWM30

SWM40SWM50SWM60SWM80SWA30SWA45SWA60
外型尺寸A1100170018301900210022002400169020502200
B8009509501000120012001200100011501150
C1200155015501650170017001750150016501700
D600850950950105011501200825880970
有效容积L5203040506080304560
主电机功率KW7.51518.5-222230303018.53030
分散轴转速R/min150011601100900900800800900800800
分散盘个数n591111121314788
研磨介质装填量
(参考)

80%L
物料粘度Pa.s≤10
冷却水耗量m3/h11.521.52
泵送能力气动隔膜泵L/min0~200~400~200~40
齿轮泵L/min2~163~242~163~24

注:1、SWM系列卧式密闭砂磨机是原SWA型重大改进后的产品,其性能更可靠,效率更高。

  2、本公司保留对上述参数修改之权利,恕不另行通知。

重庆宏达化工机电有限公司
获取底价
提交后,商家将派代表为您专人服务
 
相关产品:
| 首页 | CAS NO | 联系我们 | 会员服务 | 推广服务 | 友情链接 |
版权所有 CopyRight © 2008-2026 粤ICP备08119708号