位置:首页 > 产品中心
D16-L2000进口,计量棒棒座,适配Φ16mm挤压式计量棒
型号:D16-L2000

产品介绍

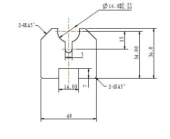
D16-L2000计量棒棒座是专为Φ16mm挤压式计量棒设计的涂布机配件。在涂布生产中,为确保涂层均匀,这款棒座精准地安装在涂布机上,用于控制计量棒的位置和角度,以确保薄膜的均匀施胶和刮平。其特制设计保证计量棒在工作时稳定旋转,使计量棒与底材充分接触。此外,D16-L2000棒座还通过有效校正计量棒的直线度,提高施胶涂层的均匀性和准确性。总高度为36mm,总宽度为40mm,适用于Φ16mm挤压式线棒,总长2000mm。

该计量棒棒座是一种用于涂布机上的计量棒棒座,生产涂布时,为确保涂在底材上的涂料厚度均匀,常用安装在涂布机上的计量棒精准控制膜厚,并刮平。为保证计量棒工作时稳定转动保持计量棒和底材充分接触,计量棒需要安装在特制的棒座内。通过棒座有效校正计量棒直线度,从而保证施胶涂层的均匀性和准确性。

该型号棒座适配直径为16mm的挤压式计量棒。

技术参数

总长2000mm
适配计量棒规格Φ16mm 挤压式线棒
总高度36mm
总宽度40mm
日本欧士机OSG
获取底价
提交后,商家将派代表为您专人服务
 
相关产品:
| 首页 | CAS NO | 联系我们 | 会员服务 | 推广服务 | 友情链接 |
版权所有 CopyRight © 2008-2026 粤ICP备08119708号