WT300手持式多路温度分析仪,便携式温度记录仪
产品介绍
**华知科 WT300 手持式多路温度分析仪卖点** 华知科 WT300 手持式多路温度分析仪是一款高性能的便携式温度记录仪,配备5寸高清触控屏和24位高速AD测量芯片,提供精确、稳定的温度测量。该仪器支持多达40路温度通道,并能够快速记录数据(最快0.1秒间隔),适用于各种工业和科研领域。无线通信功能便于与电脑连接和数据管理,多种显示方式和自定义功能使得数据读取和分析更加直观和灵活。支持多种热电偶类型输入和独立通道设置,具有出色的抗干扰能力,满足生产、实验室和研发的各种需求。 概述 本手持式多路温度采集器采用高速CPU进行数据处理和24位高速AD进行测量,采用5寸工业显示屏,支持KJETNSRB型热电偶输入,多种显示方式,使用者能更加直观读取各参数,仪器具有完善的功能、性能优越和操作简单的特点,能满足生产、实验室和研发测量的需求。 广泛应用于照明电器、电动工具、家用电器、电机、电热器具医药、石油、化工、冶金、电力等行业及科研单位等领域生产企业的生产线、实验室、质检部门。 按实户需求还能订制各种测量功能,来满足更高的应用。 特点 高清5寸IPS工业级液晶触控屏,分辨率800X480. 采用高速MCU数据处理+24位高速AD测量芯片,响应速度快、精度高、稳定可靠. 通过无线连接与电脑进行通信. 无线扩展测量通道,实现40路温度的测量. 最快0. 1秒间隔的记录速度,间隔设置方式HH:MM:SS. SSS。 多界面显示,文件列表、实时列表、柱图显示、实时/记录/分析曲线显示、报警列表、系统设置等. 可实时进行详细的X轴Y轴坐标设置,实现上下左右移动和放大缩小,时标线左右移动,并能显示对应的温度值,智能曲线调节. 支持10、20、40多界面实时数值显示. 支持多种传感器输入: K JETNSR B 每通道可以设置使用不同热电偶类型. 可以自定义每个通道的名称,并能把自定义名称导出到EXCEL. 通道间电压差可高达AC/DC350V,超强抗干扰能力. 每通道可独立设置过高过低报警值,并具有声光报警功能。 每通道独立误差修正Y=KX+B. 内置8G超大内存,文件列表显示,最大支持100个文件,每个文件12万组数据,1秒间隔可以连续记录长达138天. TYPE-C接口,0TG功能,集充电、通信、U盘、虚拟U盘于一体。 18W快充,2小时充满,最长可以使用10小时(关闭WIFI)。 高速U盘接口,传输速度更快,比普通MCU全速快40倍。 记录文件可单选或多选删除和导出,U盘和PC直接导出EXCEL文件. 一键截屏
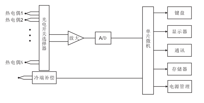
基本原理 
如图所示,仪器由热电偶、光电开关选择器、放大器、A/D、单片微机、键盘、显示器、通讯、数据存储器、电源管理、冷端补偿等部分组成。 由光电开关选择器选择对应应的通道信号,经过信号放大器进行信号放大,再经过AD转换器进行模拟信号转换成数据信号到单片微机进行数据处理,由冷端补偿电路进行常温测量,得到冷端温度值,测量信号与冷端温度值经单片微机进行数据处理,最后得出正确的测量温度值在显示屏上显示出来。 键盘、通讯、数据存储器可对数据在显示屏.上进行设置、存储加以分析,还可以通过通讯接口连接电脑直接由电脑进行数据分析。电源管理包括电池和充电电路。 按键功能 

技术参数 型号 | WT300 | 显示方式 | 5寸TFT真彩液晶工业触控屏800*480像素 | 显示形式 | 实时列表,曲线(历史曲线)、柱图、当前报警(历史报警),文件记录列表。 | 记录查询 | 本机查看分析记录曲线、历史报警记录、电脑软件分析查询。 | 通道数量 | 单机10通道,可以无线扩展到40通道。 | 热电偶 | K JETNSRB | 基本准确度 | 0.2℃+2字(不含热电偶误差) | 测量范围 | -200~1820C(以热电偶分度范围为准) | 冷端补偿 | 精度:0.5℃ | 分辨率 | 0.01℃ | 校正 | 每通道独立误差修正Y=kx+b(x=测量值) | TYPE-C接口 | 0TG功能,集充电、PC通信、接U盘,虛拟U盘一体 | 文件数量 | 100个(循环记录) | 文件容量 | 一个文件可以记录12万组数(不区分通道数),共1200万 组数. | 记录间隔 | 100mS-2h: 59m: 59S.950mS间任意设置(开启2通道时最小为0.1秒) | 记录时长 | 0.1秒间隔,可连续记录13.88小时,计算总时长=记录间隔X138.8小时。 | 采样速度、滤 | 单通道最快:50mS,滤波系数(1-64) 越大测量速度越慢,数值越稳定 | 通讯接口 | 无线W1FI (2. 4G), TYPE-C (USB)标配分析软件 | 通道间隔离 | 交流/直流电高达350V,高压带电测量,超强抗干扰能力 | 报警声 | 一路蜂鸣器响声(任意报警时响起,可设静音) | 通讯接口 | 无线WIFI, TYPE-C (USB) | 供电电源 | 内置5000mAH电池,10小时(关闭WIFI),配充电器,支持18W充电。 | 热电偶 | 每通道配标-条2米K型热电偶 | 尺寸 | 1 95X127X41mm | 重量 | 约1.5Kg | 环境条件 | 5~40℃, 20%~80%RH (无结露) |
| |
相关产品:
|