位置:首页 > 产品中心
GTQ-DX401多气体检测仪,可燃气,氧气,一氧化碳,硫化氢
型号:GTQ-DX401


产品介绍

保时安 GTQ-DX401 多气体检测仪可同时检测可燃气、氧气、一氧化碳和硫化氢四种气体,具有高灵敏度、出色的重复性和便捷的维护特点,符合多项国家防爆标准。配备彩色液晶屏和人性化操作界面,实时显示气体浓度和状态,支持两级报警和RS485信号输出,确保工业环境下的安全监测。其防爆设计、超低功耗处理器、多重防护功能及模块化传感器更换,满足石油、化工等行业的高可靠性需求。

GTQ-DX401多气体检测仪(以下简称探测器)采用先进的集成电路技术、标准智能化技术设计的智能检测仪。探测器采用自然扩散方式进行气体采样,敏感元件采用优质的气体传感器模组进行气体检测,具有良好的灵敏度和出色的重复性,使用和维护方便,极大的满足了工业现场安全检测对设备高可靠性的要求。可广泛应用于石油、化工、环保、冶炼、炼化、农业、科研、高校等行业和领域。

本产品设计、制造、检定遵守以下国家标准:

GB 12358-2006《作业场所环境气体检测报警仪通用技术要求》

GB/T 3836.1-2021《爆炸性环境第1部分:设备通用要求》

GB/T 3836.2-2021《爆炸性环境第2部分:由隔爆外壳“d”保护的设备》

GB/T 3836.31-2021《爆炸性环境第31部分:由防粉尘点燃外壳“t”保护的设备》

产品特点

1、人性化的GUI操作界面;

2、彩色液晶屏显示;

3、采用了先进的微功耗技术传感器;

4、具有LCD现场显示气体浓度的功能,使现场工作人员及时了解情况;

5、指示灯指示工作状态,正常、低报警、高报警,故障;

6、探测器外壳经过国家指定的防爆产品检验单位检验,并取得了防爆合格证。

产品功能

1、采用半导体纳米工艺超低功耗32位微处理器,24位ADC数据采集芯片;

2、同时检测可燃气、氧气、一氧化碳、硫化氢四种气体(也可根据需求自由定制);

3、PPM、%VOL、mg/m、μmol/mol,单位可切换;

4、现场带背光大屏多参数LCD显示,直观显示气体浓度、类型、单位、工作状态等;

5、更换传感器无须现场标定,传感器关键参数自动识别;

6、中英文显示;

7、传感器多达5级目标点校准功能,保证测量的准确性和线性;

8、两级报警设置,两组继电器无源信号输出;

9、标配RS485信号:采用标准MODBUS RTU协议,传输距离<1km;

10、具有过压保护、防雷保护、短路保护、反接保护、防静电干扰、防磁场干扰等功能并且具有自动恢复功能,防止发生任何外部原因、人为原因、自然灾害等造成探测器损坏;

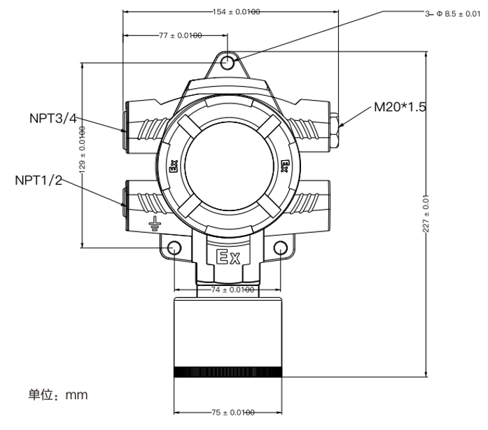
外形结构

技术参数

型号

GTQ-DX401

检测方式

扩散式

检测气体

可燃气、氧气、一氧化碳、硫化氢

量程范围

可燃气:0-100%LEL、氧气:0-30%VOL、一氧化碳:0-1000PPM、 硫化氢:0-100PPM

分辨率

可燃气:1%LEL、氧气:0.1%VOL、一氧化碳:1PPM、硫化氢:1PPM

响应时间

≤60秒(T90)

重复性

≤±2%

供电电压

DC(24±3.6)V

报警方式

声、光报警、状态指示、继电器输出信号

信号输出

Rs485采用标准MODBUS RTU协议/继电器开关量

工作湿度

≤95%RH,无冷凝结露

工作温度

-40℃~70℃

检测气体压力

86kPa ~106kPa

继电器负载

两组继电器输出,触点容量:30VDC 2A/125VAC 1A

安装方式

壁挂式、管道式(螺纹尺寸:NPT)

接线口

M20x1.5、G1/2

使用线缆

2x0.75mm屏蔽线

壳体材料

压铸铝、防爆

外形尺寸

227*154*106mm(长x宽x厚)

重量

约1.8kg

防爆标志

Ex db IIC T6 Gb/Ex tb IIIC T80℃ Db

防爆等级

IP66

河南省保时安科技股份有限公司
手机: 156-1766-2883
相关产品:
| 首页 | CAS NO | 联系我们 | 会员服务 | 推广服务 | 友情链接 |
版权所有 CopyRight © 2008-2026 粤ICP备08119708号