位置:首页 > 产品中心
磁粉制动器CZ
型号:CZ
产地:北京
仪器产地:国产试验机

产品介绍

CZ 磁粉制动器

磁粉制动器、磁粉离合器是一种性能优越的自动控制元件。它以磁粉为工作介质,以激磁电流为控制手段,达到控制制动转矩或传递转矩的目的。其输出转矩与激磁电流呈良好的线性关系,而与转速或滑差无关,并具有响应速度快、结构简单等优点。

用于张力自动控制系统,磁粉制动器、磁粉离合器与我公司生产的ZK型自动张力控制仪及张力检测传感器配套,可组成自动闭环张力控制系统,广泛应用于印刷、包装、造纸及纸品加工、纺织、玻璃纤维、电线电缆橡胶皮革、金属箔带加工等设备。

用于转矩转速功率测试系统。磁粉制动器、磁粉离合器与我公司生产的转矩转速传感器、转矩转速功率测量仪配套,可组成成套转矩转速功率测试系统,广泛应用于动力机械、传动机械输入、输出的转矩、转速、功率、效率的动态和静态的检测磁粉离合器还用于缓冲起动、过载保护、调速等。

按类型可分为:

1、磁粉制动器分为:CZ-型机座式安装、CZF-型法兰式安装、CZK-型空心轴式安装、CZKX-型空心轴外壳旋转式安装

2、磁粉离合器分为:CJ-型机座式安装、CJF-型法兰式安装、CJKX-型空心轴外壳旋转式安装、CJS-型水冷式安装、CZKS-型空心轴双冷磁粉制动器。

磁粉制动器的选型:

磁粉制动器、磁粉离合器的选型一般先计算额定转矩,再计算额定转速:1、用于模拟负载和传递转矩的选型计算公式:9550(系数)*滑差功率(KW)/额定转矩(Nm)=额定转速(r/min) 2、用于张力控制系统的选型计算公式:卷取物料需要张力(N)*收(放)卷筒最大半径(m)=磁粉制动器额定转矩(Nm) 9550(系数)*滑差功率(KW)/额定转矩(Nm)=额定转速(r/min)

安装尺寸

1、CZ型 机座式磁粉制动器

CZ-1.png

型号

技术参数

安 装 尺 寸

额定

转矩

N.m

激磁

电流

A

滑差

功率

KW

冷却

方式

d

H1

H

L

L1

L2

L3

L4

L5

d1

b

CZ-0.2

2

0.6

0.15

自冷

9

55

105

103

20

32.5

26

100

115

5.5

削平

CZ-0.3

3

0.6

0.04

自冷

12

55

99

78

20

12

16

74

88

7

4

CZ0.5

6

0.5

0.3

自冷

12

72

131

79

20

5

46

100

120

7

4

CZ-1

10

0.6

0.8

水冷

12

100

188

140

26

11

70

155

180

9

4

CZ-1-K

10

0.6

0.35

自冷

12

90

166

120

26

11

70

155

180

9

4

CZ-2

20

0.6

1.2

水冷

18

120

220

160

30

20

78

155

185

11

6

CZ-2-K

20

0.6

0.4

自冷

18

100

186

124

30

14

70

155

180

9

6

CZ-5

50

0.8

1.0

水冷

22

150

260

174

35

9

110

185

225

11

6

CZ-10

100

1

3.0

水冷

30

165

300

221

55

37.5

100

185

220

13

8

CZ-20

200

2

4.0

水冷

35

180

330

233

60

30

125

268

300

13

10

CZ-30

300

2.5

5.0

水冷

45

210

385

270

70

23

150

300

350

13

14

CZ-40

400

2.5

5.0

水冷

45

210

385

270

70

23

150

300

350

13

14

CZ-50

500

2.5

10

水冷

60

240

440

324

100

19

180

340

400

17

18

CZ-100

1000

2.5

18

水冷

60

280

522

478

100

31

220

430

500

17

18

CZ-200

2000

3

25

水冷

75

325

610

554

110

50

250

520

600

22

20

CZ-500

5000

3

40

水冷

90

430

818

662

140

50

320

600

700

22

25

CZ-1000

10000

4

50

水冷

120

600

1125

710

160

40

360

900

1030

26

32

CZ-2000

20000

5

75

水冷

155

725

1545

900

180

105

400

1300

1450

34

40

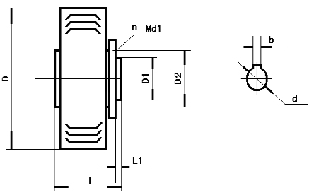
2、CZF型 法兰式磁粉制动器

CZ-2.png

型 号

技 术 参 数

安 装 尺 寸

额定

转矩

N.m

激磁

电流

A

滑差

功率

W

冷却

方式

d

D

D1

D2

L

L1

L2

L3

d1

b

CZF-0.3

3

0.6

40

自冷

12

88

80

47

75

20

12

5.5

4

4

CZF-0.6

6

0.6

80

自冷

12

118

62

52

75

20

10

6.5

6

4

CZF-1.2

12

1

120

自冷

15

152

65

50

141

30

24

20

6

5

CZF-2.5

25

1.6

200

自冷

20

188

78

62

160

40

29

23

6

6

CZF-5

50

0.8

1000

水冷

25

220

100

74

178

50

24

10

6

8

CZF-10

100

2.5

3000

水冷

30

270

140

100

229

55

35

30

10

8

CZF-20

200

2

4000

水冷

35

300

150

110

224

60

30

28

10

10

CZF-30

300

2.5

5000

水冷

45

350

195

165

287

95

17

5

10

14

CZF-40

400

3

5000

水冷

45

350

195

165

287

95

17

5

10

14

CZF-50

500

2.5

6000

水冷

60

400

200

175

327

100

21

4

13

18

3、CZK-型 空心轴式安装磁粉制动器

CZ-3.png

技术参数及安装尺寸

型 号

技 术 参 数

安 装 尺 寸

额定转矩N.m

激磁电流A

滑差

功率

W

冷却方式

d

D

D1

D2

L

L1

d1

b

CZK-0.3

3

0.6

40

自冷

15

88

80

47

50

9

3-M4

5

CZK-0.6

6

0.6

80

自冷

16

118

62

52

49

2

6

5

CZK-1.2

12

1

120

自冷

20

152

80

72

74

6

4

6

CZK-2.5

25

1

250

自冷

25

172

105

90

70

3

6

8

CZK-5

50

1

450

自冷

30

220

130

110

84

3

8

8

CZK-10

100

1.2

3000

水冷

40

270

182

135

136

4

10

12

CZK-20

200

1.6

4000

水冷

45

300

220

180

139

5

10

14

CZK-30

300

2

5000

水冷

50

350

195

165

180

5

10

14

CZK-40

400

2

5000

水冷

50

350

195

165

180

5

10

14

CZK-50

500

1.6

10000

水冷

50

400

200

175

212

8

12

14

CZK-100

1000

3

12000

水冷

60

480

210

185

246

8

12

18

4、CZKX-型 空心轴外壳旋转式安装磁粉制动器

CZ-4.png

技术参数及安装尺寸

型号

技 术 参 数

安 装 尺 寸

额定转矩

N.m

激磁电流

A

滑差功率

W

L

L1

D

D1

D2

d

n

d1

b

CZKX-2.5

25

0.8

300

102

5

196

100

140

20

3

10

6

CZKX-5

50

1

600

115

5

230

110

150

30

3

10

8

CZKX-10

100

1.2

800

142

5

280

120

150

35

6

10

10

CZKX-20

200

1.5

1000

179

6

346

160

240

45

6

10

14

产品特点

1、激磁电流—转矩特性:

激磁电流与转矩呈良好线性关系,通过调节激磁电流可以无极控制转矩的大小。

其特性如图A所示。

1729922396475852.png

2、转速—转矩特性:

转矩与转速无关,保持定值。静力矩和动力矩没有差别。其特性如图B所示。

CZ-6.png

3、负载特性:

磁粉制动器、离合器的允许滑差功率,在散热条件一定时,是定值。其连续运行时,实际滑差需在允许滑差功率以内。使用转速高时,需降低力矩使用。其特性如图C所示。

CZ-7.png

使用注意事项:

1、磁粉制动器、离合器用直流电作激磁电源。建议使用我公司生产的WLK控制器。

2、磁粉制动器、离合器传动轴水平安装;传动轴与联轴节的安装精度为H8/f8;禁止用铁锤敲击装配;传动轴和与其对接的轴的安装同轴度为+0.03mm。

3、磁粉制动器、离合器在运输过程中,常使磁粉聚集到某处,可能会出现“卡死”现象,可将制动器整体翻动,使磁粉松散开来,或用杠杆撬动。为了防止运输中磁粉沉淀,CZ-50以上磁粉制动器在测试后将磁粉倒出来另装,可在跑合过程中将磁粉从磁粉孔逐渐注入。

4、水冷磁粉制动器先通水后运转。水压1.5~3kg,不得超过。定子进水口在下,出水口在上。转子进水口在中心,出水口在中心下面,转子出水管安装不得高于出水口。

5、磁粉制动器、离合器不支持使用径向承受主传动力的安装方式。如悬臂安装皮带轮、齿轮等(见图1)。支持使用连轴节安装方式(见图2)。如的确需安装齿轮及皮带轮传动,建议轴端增加支承(见图3)。

CZ-8.png

6、磁粉制动器、离合器**使用前,通以30%的额定电流,运转10秒钟后断电再通电,反复几次,保证磁粉流动性和均匀分布。

7、磁粉制动器、离合器不能超转矩、转速使用,否则磁粉寿命会急剧下降,或者出现漏粉、卡死现象。

8、转子水冷却的磁粉制动器、离合器,使用一段时间后,其水封磨损,水盖下方的水封密封监视孔会出现滴水现象,提醒水封已经开始泄漏,尚未严重泄漏,应立即更换水封。注意不能堵塞水封密封监视孔滴水,以防水向内部渗漏。

9、如需更换磁粉,请按以下步骤操作,打开磁粉制动器、离合器,取出转子,去掉老磁粉,用沙纸打磨,软纸檫干净工作表面,更换羊毛毡、轴承,装进新磁粉即可。更换磁粉应根据规格型号确定磁粉量和目数。

10、磁粉制动器、离合器如长期不用,需每月开机5分钟,调节激磁电流,使转矩在0—额定转矩之间上下两个循环,以保持磁粉干燥不结块。

11、磁粉制动器、离合器在使用过程中,如发现没有转矩、转矩下降、卡死现象,可按以下方法排除:

a、没有转矩。

检查有无激磁电流。如没有激磁电流,请恢复激磁电流。

检查线圈有无接壳或短路。如有接壳或短路现象,请更换线圈。

检查磁粉腔是否进水或者进油。如磁粉腔进水或者进油,请打开磁粉制动器,去除老磁粉,檫干净磁粉制动器内腔,装进新磁粉。

b、转矩下降。

如在正常工作6000小时后转矩下降,请更换磁粉。

如在正常工作6000小时内转矩下降,是因为超转矩、转速使用,磁粉寿命急剧下降。请更换磁粉。

c、磁粉制动器卡死。

如使用时突然卡死,是因为超转矩、转速使用后产生高温,使密封件失去弹性,密封性能降低,磁粉漏进轴承卡死,或者磁粉高温结块卡死。请更换轴承、密封件、磁粉。如长期停用后开机卡死,是因为磁粉氧化结块卡死。请更换磁粉。

12、磁粉制动器、离合器需跟WLK加载控制器配合使用,用于提供激磁电流。

北京海博华科技有限公司
获取底价
提交后,商家将派代表为您专人服务
 
相关产品:
| 首页 | CAS NO | 联系我们 | 会员服务 | 推广服务 | 友情链接 |
版权所有 CopyRight © 2008-2026 粤ICP备08119708号