位置:首页 > 产品中心
工业测温小型模组2037T型
型号:2037T
仪器产地:国产温度计量仪器

产品介绍

2037T系列工业测温小型模组

易于集成的高精度测温产品,为集成应用打造的一款工业测温产品,测温范围广,精度高。提供丰富的硬件接口(485、报警输入输出、本地输出等)及软件集成方式(基于SDK接口或者基于ISAPI协议集成)

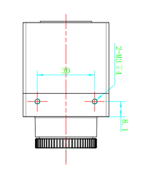
产品结构

a55002fd6bbdcf32682cf18fe4293d88.png

865e1eb29059ec6d6954aeb6ba3a0c72.png

01b8e7a9ad3035003c1aecd55bc50c1c.png

技术参数

型号2037T系列

传感器类型

氧化钒非制冷型探测器

最大图像尺寸

384 × 288;640 × 512

响应波段

8~14μm

热成像镜头焦距

4/7/10/6mm

测温范围

﹣20℃-550℃

精度

±2℃或读数的±2%

RS485

支持

电源输入

DC 10~30V

功率

3W

重量

120g(含镜头)

尺寸

102.6 × 45 × 45 mm(长宽高)

安装

M3螺纹口1/4″-20-UNC三脚架接口转接件(选配)

杭州海康微影传感科技有限公司
获取底价
提交后,商家将派代表为您专人服务
 
相关产品:
| 首页 | CAS NO | 联系我们 | 会员服务 | 推广服务 | 友情链接 |
版权所有 CopyRight © 2008-2026 粤ICP备08119708号