人工电源网络LISN J200完全满足标准GJB151B-2013和MIL-STD-461E-1999中要求的零部件与电源隔离,测量车辆、船舶和内燃机的干扰特性。阻抗完全满足标准规定。EUT连接到面板的OUTPUT输出端,电源端口连接到面板INPUT输入端。EMI测量端口为标准N型接口。
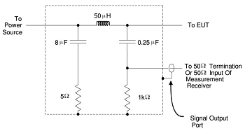
设计原理:

通用参数 |
机箱尺寸* | 310mm*310mm*600mm(长*宽*深) |
仪器重量* | 约30KG |
环境温度 | 15-35℃ |
环境湿度 | 45% - 75% |
气压范围 | 86kPa – 106kPa |
技术参数 |
符合标准:GJB151B-2013& MIL-STD-461E-1999 |
测试电压Vmax | 500VDC, 270V 50/60Hz,135V 400Hz |
测试电流Imax | 200A |
瞬时最大电流 | 300A |
电感温升(ΔT) | 约80℃(200A 2h) |
测试端子 | N型 |
电感 | 50uH |
耦合电容 | 0.25uF |
阻抗频率范围 | 9KHz-30MHz |
产品标准
- GJB 151B:2013
- GJB152A
- GB9254
- GB6113
- CISPR22
- EN 55022
- MIL-STD-461E-1999