位置:首页 > 产品中心
不锈钢篮式过滤器
产地:合肥

产品介绍

管道在安装时会有其它杂物带入管道,在生产中原材料中也含有杂物。管道里液体经过过滤器时它的污物由过滤器收集到滤网中,在一定的程度时打开壳盖清理滤网即可

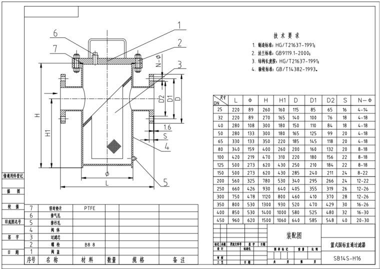
篮式过滤器用于油或其它液体管道上,过滤管道里的杂物,过滤孔面积比通径管面积大2-3倍.远远超过Y型、T型过滤器过滤面积。滤网结构与其它过滤网不一样,因形状像篮子,故名篮式过滤器。

篮式过滤器主要由接管、筒体、滤篮、法兰、法兰盖及紧固件等组成。安装在管道上能除去流体中的较大固体杂质,使机器设备(包括压缩机、泵等)、仪表能正常工作和运转,达到稳定工艺过程,保障安全生产的作用。

篮式过滤器是除去液体中少量固体颗粒的小型设备,可保护压缩机、泵、仪表和其他的正常工作,当流体进入有一定规格的滤网的滤桶后,其杂质被阻挡,而清洁的滤液则由过滤器出口排出,当需要清洗时,只要将可拆卸的滤桶取出,处理后重新装入即可,因此,使用维护极为方便。已广泛应用于石油、化工、医药、食品、环保等行业。若将其串连的安装在泵的入口或系统管线的其他部位,则既可以延长泵和其他设备的使用寿命,又能保证整个系统的安全。

技术参数

安徽易滤环保设备有限公司
获取底价
提交后,商家将派代表为您专人服务
 
相关产品:
| 首页 | CAS NO | 联系我们 | 会员服务 | 推广服务 | 友情链接 |
版权所有 CopyRight © 2008-2026 粤ICP备08119708号