微差压计GTI 135
产品介绍
设计紧凑的30毫米见方的外壳,具有显示,输出和开关功能,适用于有限的空间安装。它具有耐高压的微型硅电阻传感器,可实现高度灵敏和可靠的压力测量。
差压量程范围 | 差压量程 | 精度 | 分辨率(Pa) | 过载压力 | | 0-50Pa | ±50Pa | ±(2%F.S.+1digit) @23℃ | 0.1 | 10kPa | | 0-100Pa | ±100Pa | 0.1 | 10kPa | | 0-200Pa | ±200Pa | ±(1.5%F.S.+1digit) @23℃ | 1 | 10kPa | | 0-500Pa | ±500Pa | 1 | 10kPa | | 0-1kPa | ±1kPa | ±(1%F.S.+1digit) @23℃ | 1 | 20kPa | | 0-2kPa | ±2kPa | 1 | 20kPa | | 0-5kPa | ±5kPa | 10 | 20kPa |
规格参数 | 参数 | | 测试流体 | 空气、氮气等非腐蚀洁净干燥气体 | | 显示 | 4位段码LCD屏 | | 压力显示 | 最高可4位显示 | | 压力单位显示 | Pa或kPa | | 报警输出显示 | OUT1、 OUT2双路独立输出 | | 零点校正 | 手动校正 | | 模拟输出 | 4-20mA/1-5V(可选择),也可特殊定制 | | 开关量输出 | NPN/PNP(可选择)*2路输出 | | 温度系数 | ±0.15%F.S./℃(500Pa以下)±0.1%F.S./℃(500Pa以上) | | 显示更新周期 | 200ms | | 电源范围 | 12V-24V DC(±10%范围) | | 消耗电流 | 24V(30mA以下) 12V(50mA以下) | | 信号输出容限 | NPN开关输出-耐压30VDC负载电流100mA | | PNP开关输出-耐压30VDC负载电流100mA | | 响应速度(20mS以内) | | 移动平均设定 | 0.2s、1s、2s、4s | | 使用温度范围 | 0-60℃ | | 存储温度范围 | -10-70℃ | | 使用湿度范围 | 35-85%RH | | 防水等级 | IP40防水测试标准IEC60529 | | 污染等级 | IEC60664-2(2级) | | 接口尺寸 | M5内螺纹 | | 壳体材料 | PC/ABS | | 外形尺寸 | 30*30*35mm | | 安装方式 | 壁挂或支架 | | 整机重量 | 30g |
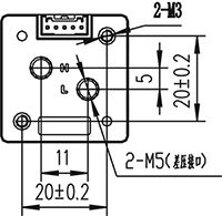
安装形式及尺寸 壁挂式安装 
支架式安装 支架可自制或选购我公司配件,安装尺寸如下图 
产品外形尺寸 
型号表示方法 
| |
相关产品:
|