一、进口双偏心蝶阀产品概述
美国尼科NICO进口双偏心软密封蝶阀为偏心金属密封结构,密封形式为软密封对金属,可调换金属密封圈对金属密封,不锈钢板与石墨复合板密封圈对金属密封,其结构特征为在阀杆轴心既偏离蝶板中心、也偏离本体中心,双偏心的效果使阀门被开启后蝶板能迅即脱离阀座、大幅度地消除了蝶板与阀座的不必要的过度挤压、刮擦现象、减轻了开启阻距、降低了磨损、提高了阀座寿命。在蝶阀阀体圆柱形通道内,圆盘形蝶板绕着轴线旋转,旋转角度为0°~90°之间,旋转到90°时,阀门则是全开状态。给排水、污水、食品、供暖、燃气、船舶、水电、冶金、能源系统以及轻纺等行业,特别适用于单向密封和阀体易锈蚀场合,作调节流量和截流介质。
二、进口双偏心蝶阀选型参数
| 产品名称: | 双偏心蝶阀 | 产品型号: | D342X |
| 公称通径: | DN50~DN2200 | 结构形式: | 双偏心 |
| 公称压力: | PN10、PN16、PN25 | 连接方式: | 法兰 |
| 适用温度: | ≤0~125℃ | 驱动方式: | 涡轮驱动(电源驱动、气源驱动) |
| 阀体材质: | HT200铸铁、球墨铸铁QT450、WCB铸钢、304不锈钢 | 制造标准: | 国标GB、德国DIN、美国API、ANSI |
| 适用介质: | 供热水、长输管给排水、市政自来水 | 品牌名称: | 美国尼科NICO
|
三、进口双偏心蝶阀产品说明
双偏心结构是在设计过程中,圆盘偏离密封中心线表面形成**个偏心,阀杆偏离管道中心线,形成**偏心距;两个偏心结构使阀门密封对打开和关闭, 圆盘在工艺过程中旋转的角度越小,便于座椅的拆卸,减少摩擦,从而延长阀门的使用寿命,其结构采用三维偏心原理设计,弹性密封和硬软多层密封兼容的加工新工艺,使蝶阀在运行工作时,减少其扭矩力,达到省力,节能之功能,从而确保整体的抗腐蚀、耐高温、抗靡损的可靠性。双偏心阀门主要适用于水厂、电厂、钢厂冶炼、造纸、化工、饮食等系统供排水用,尤其适用于自来水管路上,作为调节和截流设备使用,在单偏心蝶阀的基础上进一步改良成型的就是目前应用最广泛的双偏心蝶阀。
四、进口双偏心蝶阀主要特点
1、结构简单紧凑,重量轻,90°旋转,开关迅速。
2、设计合理,装拆容易,便于维修。
3、采用偏心结构,减少密封圈的磨擦,延长阀门使用寿命。
4、完全密封,泄漏为零。
5、更换阀板密封圈、O型圈、蝶板、转轴等材质,可适用多种介质和不同温度。
五、进口双偏心蝶阀主要零件材料
| 名称 | 国标 | 美标ASTM | 英标BS |
| 阀体 | HT200、QT450、铸钢、WCB | A126 Class | B1452-20 |
| 阀板 | QT500 | A536 65-45-12 | BS2789-65 |
| 转轴 | 2Cr13 | 420 | Bs970 |
| 转套 | ZCuZn38Mn3Pb2 | B36 | Bs1400 |
| 阀板密封圈 | NBR、EPDM | D2000 Aa6014 | Bs2494 Buua-N |
| 阀体钢环 | 0Cr18Ni9 | S32100 | BS321S12
|
六、进口双偏心蝶阀性能规范
| 公称通径 DN | 100~1200 | 100~1200 | mm |
| 公称压力 PN | 1.0 | 1.6 | MPa |
| 试验压力 | 密封 | 1.5 | 2.4 | MPa |
| 壳体 | 1.1 | 1.76 | MPa |
| 适用温度(℃) | -10℃~120℃ |
| 适用介质 | 淡水、污水、空气等
|
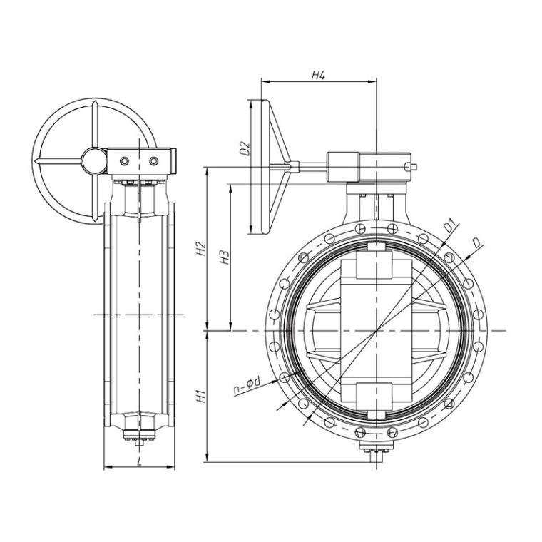
七、进口双偏心蝶阀结构图

八、进口双偏心蝶阀外形尺寸图

九、进口双偏心蝶阀主要外形尺寸
| 规格size | 传动装置 | L | D | D1 | d | n | d0 | b | f | H1 | H2 | L1 | L2 | L3 | L4 | Φ | 重量 |
| mm | Kg |
| DN100 | XJ24 | 127 | 220 | 180 | 156 | 8 | 19 | 19 | 3 | 310 | 109 | 52 | 45 | 158 | 210 | 150 | 19 |
| DN150 | XJ24 | 140 | 285 | 240 | 211 | 8 | 23 | 19 | 3 | 440 | 143 | 52 | 45 | 158 | 210 | 150 | 37 |
| DN200 | XJ30 | 152 | 340 | 295 | 266 | 8 | 23 | 20 | 3 | 510 | 182 | 77 | 63 | 238 | 315 | 300 | 51 |
| DN250 | XJ30 | 165 | 395 | 350 | 319 | 12 | 23 | 22 | 3 | 565 | 219 | 77 | 63 | 238 | 315 | 300 | 68 |
| DN300 | 4022 | 178 | 445 | 400 | 370 | 12 | 23 | 24.5 | 4 | 630 | 244 | 95 | 72 | 167 | 242 | 300 | 93 |
| DN350 | 4023 | 190 | 505 | 460 | 429 | 16 | 23 | 24.5 | 4 | 715 | 283 | 110 | 91 | 188 | 275 | 400 | 122 |
| DN400 | 4023 | 216 | 565 | 515 | 480 | 16 | 28 | 24.5 | 4 | 750 | 312 | 110 | 91 | 188 | 275 | 400 | 152 |
| DN450 | 4024 | 222 | 615 | 565 | 530 | 20 | 28 | 25.5 | 4 | 820 | 344 | 473 | 147 | 109 | 420 | 400 | 182 |
| DN500 | 4024 | 229 | 670 | 620 | 582 | 20 | 28 | 26.5 | 4 | 845 | 381 | 473 | 147 | 109 | 420 | 400 | 230 |
| DN600 | 4025 | 267 | 780/755 | 725/705 | 682/667 | 20 | 31/26 | 30 | 5 | 950 | 451 | 533 | 179 | 138 | 476 | 400 | 388 |
| DN700 | 4025 | 292 | 895/860 | 840/810 | 794/772 | 24 | 31/26 | 32.5 | 5 | 1010 | 526 | 533 | 179 | 138 | 476 | 400 | 480 |
| DN800 | 4026 | 318 | 1015/975 | 950/920 | 901/878 | 24 | 34/31 | 35 | 5 | 1140 | 581 | 655 | 217 | 170 | 577 | 500 | 661 |
| DN900 | 4026 | 330 | 1115/1075 | 1050/1020 | 1001/978 | 28/24 | 34/31 | 37.5 | 5 | 1197 | 643 | 655 | 217 | 170 | 577 | 500 | 813 |
| DN1000 | 4026 | 410 | 1230/1175 | 1160/1120 | 1112/1078 | 28 | 37/31 | 40 | 5 | 1277 | 722 | 655 | 217 | 170 | 577 | 500 | 1018 |
| DN1200 | 4027 | 470 | 1455/1405 | 1380/1340 | 1328/1295 | 32 | 40/34 | 45 | 5 | 1511 | 840 | 748 | 262 | 202 | 664 | 500 | 1501
|
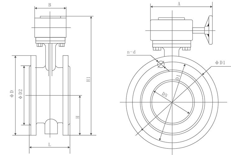
十、进口双偏心蝶阀外形尺寸图

十一、进口双偏心蝶阀外形尺寸表
| DN | 主要外形连接尺寸 | 法兰尺寸和螺栓孔尺寸 |
| L | H | H1 | A | B | 0.6MPa | 1.0MPa | 1.6MPa |
| D | D1 | D2 | n-d | D | D1 | D2 | n-d | D | D1 | D2 | n-d |
| 50 | 108 | 82.5 | 306 | 80 | 80 | 140 | 110 | 88 | 4-14 | 185 | 125 | 99 | 4-18 | 165 | 125 | 99 | 4-18 |
| 65 | 112 | 92.5 | 321 | 80 | 80 | 160 | 130 | 108 | 4-14 | 185 | 145 | 118 | 4-18 | 185 | 145 | 118 | 4-18 |
| 80 | 114 | 100 | 346 | 80 | 80 | 190 | 150 | 124 | 4-18 | 200 | 160 | 132 | 8-18 | 200 | 160 | 132 | 8-18 |
| 100 | 127 | 110 | 387 | 95 | 95 | 210 | 170 | 144 | 4-18 | 220 | 180 | 156 | 8-18 | 220 | 180 | 156 | 8-18 |
| 125 | 140 | 125 | 411 | 95 | 95 | 240 | 20 | 174 | 8-18 | 250 | 210 | 184 | 8-18 | 250 | 210 | 184 | 8-18 |
| 150 | 140 | 142.5 | 447 | 95 | 95 | 265 | 225 | 199 | 8-18 | 285 | 240 | 211 | 8-22 | 285 | 240 | 211 | 8-22 |
| 200 | 152 | 170 | 607 | 190 | 308 | 320 | 280 | 254 | 8-18 | 340 | 295 | 266 | 8-22 | 340 | 295 | 266 | 12-22 |
| 250 | 165 | 192.5 | 688 | 190 | 308 | 375 | 335 | 309 | 12-18 | 395 | 350 | 319 | 12-22 | 405 | 355 | 319 | 12-26 |
| 300 | 178 | 222.5 | 742 | 190 | 308 | 440 | 395 | 363 | 12-22 | 445 | 400 | 370 | 12-22 | 460 | 410 | 370 | 12-26 |
| 350 | 190 | 252.5 | 797 | 190 | 308 | 490 | 445 | 413 | 12-22 | 505 | 460 | 429 | 16-22 | 520 | 470 | 429 | 16-26 |
| 400 | 216 | 282.5 | 930 | 270 | 466 | 540 | 495 | 463 | 16-22 | 565 | 515 | 480 | 16-26 | 580 | 525 | 480 | 16-30 |
| 450 | 222 | 307.5 | 975 | 270 | 466 | 595 | 550 | 518 | 16-22 | 615 | 565 | 530 | 20-26 | 640 | 585 | 548 | 20-30 |
| 500 | 229 | 335 | 1065 | 270 | 466 | 645 | 600 | 568 | 20-22 | 670 | 620 | 582 | 20-26 | 715 | 650 | 609 | 20-33 |
| 600 | 267 | 390 | 1225 | 457 | 625 | 755 | 705 | 667 | 20-26 | 780 | 725 | 682 | 20-30 | 840 | 770 | 720 | 20-36 |
| 700 | 292 | 447.5 | 1343 | 457 | 625 | 860 | 810 | 772 | 24-26 | 895 | 840 | 794 | 24-30 | 910 | 840 | 794 | 24-36 |
| 800 | 318 | 507.5 | 1436 | 457 | 625 | 975 | 920 | 878 | 24-30 | 1015 | 950 | 901 | 24-33 | 1025 | 950 | 901 | 24-39 |
| 900 | 330 | 557.5 | 1616 | 598 | 853 | 1075 | 1020 | 978 | 24-30 | 1115 | 1050 | 1001 | 28-33 | 1125 | 1050 | 1001 | 28-39 |
| 1000 | 410 | 615 | 1711 | 598 | 853 | 1175 | 1120 | 1078 | 28-30 | 1230 | 1160 | 1112 | 28-36 | 1255 | 1170 | 1112 | 28-42 |
| 1200 | 470 | 727.5 | 1971 | 598 | 853 | 1405 | 1340 | 1295 | 32-33 | 1455 | 1380 | 1328 | 32-39 | 1485 | 1390 | 1328 | 32-48 |
| 1400 | 530 | 837.5 | 2218 | 860 | 1345 | 1630 | 1560 | 1510 | 36-36 | 1675 | 1590 | 1530 | 36-42 | 1685 | 1590 | 1530 | 36-48 |
| 1600 | 600 | 957.5 | 2578 | 860 | 1345 | 1830 | 1760 | 1710 | 40-36 | 1915 | 1820 | 1750 | 40-48 | 1930 | 1820 | 1750 | 40-56 |
| 1800 | 670 | 1057.5 | 2689 | 860 | 1345 | 2045 | 1970 | 1918 | 44-39 | 2115 | 2020 | 1950 | 44-48 | 2130 | 2020 | 1950 | 44-56 |
| 2000 | 760 | 1162.5 | 3022 | 952 | 1592 | 2265 | 2180 | 2125 | 48-42 | 2325 | 2230 | 2150 | 48-48 | 2345 | 2230 | 2150 | 48-62
|