位置:首页 > 产品中心
HRS-150AT触摸屏数显洛氏硬度计(自动变荷)-新外观
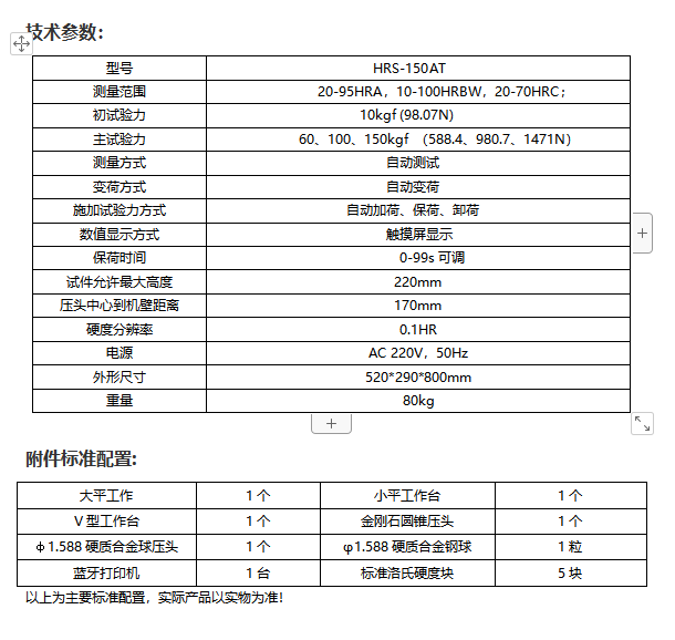
型号:HRS-150AT
仪器种类:洛氏硬度计

产品介绍

1、机身部分使用优质铸铁一次浇铸成型,配合以汽车烤漆处理工艺,外形圆润美观;

2、配备自动变荷系统,可实现一键变荷,从根本上解决了用户选择力值不对造成的试验异常问题,方便了用户,根除了操作隐患;

3、内置初试验力保护装置,达到对初试验力的精准控制,当用户旋转丝杠手轮工件顶起压头接近正确高度时,初试验力保护装置提前发出刹车信号锁紧丝杠,防止操作失误;

4、带有温度测量功能,数字化测温电路,长期工作,稳定可靠;

5、可设置硬度值的最大值和最小值,当测试值超过设定范围时,发出报警音;

6、具有软件硬度值修正功能,可以在一定范围内直接对硬度值进行修正;

7、具有数据库功能,对试验数据自动进行分组保存,每组可保存10个数据,可以保存2000个以上数据;

8、具有硬度值曲线显示功能,直观显示硬度值的变化;

9、数据库可自动记录标尺、试验力、硬度值、温度等参数;

10、系统对每组的硬度值自动计算最大值、最小值、平均值、标准差;

11、可自动进行全硬度标尺的单位转换;

12、配置无线蓝牙打印机,并可通过RS232、USB(可选装)端口输出数据;

13、具有独立的小型照明灯,在光线不良时方便用户操作。

14、精度符合GB/T230.2、ISO6508-2和美国ASTM E18标准。

应用范围:

1、测定黑色金属,有色金属,非金属材料的洛氏硬度;

2、淬火和调质等热处理材料的洛氏硬度的测量,如硬质合金、渗碳钢、淬火钢、表面淬火钢、硬铸钢,铝合金、铜合金、可锻铸件、软钢、调质钢、退火钢、轴承等材料;

3、材料表面热处理和化学表面处理的各种金属材料。

莱州市恒仪试验仪器有限公司
获取底价
提交后,商家将派代表为您专人服务
 
相关产品:
| 首页 | CAS NO | 联系我们 | 会员服务 | 推广服务 | 友情链接 |
版权所有 CopyRight © 2008-2026 粤ICP备08119708号