位置:首页 > 产品中心
LPG-K快开式消气过滤器
型号:LPG-K
品牌:中大
参考价格:1640
交货期:一周
产地:安徽省合肥市
器材产地:国产过滤器材


产品介绍

规格:LPG-K
品牌:中大
用途:固液分离
货号:LPG-K-DN40-500
适用对象:各种液体、气体
适用对象性质:弱腐蚀性 腐蚀性 低温物料 高卫生要求物料
滤料类型:滤网
过滤器类型:滤网式
主体材质:碳钢/不锈钢
样式:立式
适用范围:食品 电镀 化工 纺织 染料 轻工 冶金 石油 水处理 制药 选矿 
有效过滤面积 ≥ 3 倍管道截面积


概述

LPG-K型快开过滤器作为流量计量的辅助设备,主要作用是用来过滤被测液体中含有的颗粒杂质,以保证流量计正常运行。与普通过滤器作用一样,但是具备快速打开上盖功能,便于清洗过滤筒,操作方便、省时省力的特点。是较脏污介质计量时必备的辅助设备。

注:我司各品种的U型过滤器、篮式过滤器、消气过滤器等过滤设备,均可改制成快开式,方便用户使用。

 

结构及工作原理

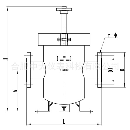
过滤器由壳体、过滤筒、上盖及卡箍等主要部分组成。壳体要承受被测液体的工作压力,并形成满足过滤所要求的空间。当液体进入过滤器时,沿隔板上升进入过滤筒,过滤后液体进入流量计,杂质留在过滤筒内定时清理。

主要技术性能

1.工作压力(MPa):1.0、1.6、2.0、2.5、4.0、6.3

2.执行标准:Q/ZD006-2012

3.介质粘度(mPa.s):0.8mPa.s≦介质≦200mPa.s

4.材质要求:a)壳体:铸钢(E)、耐蚀钢(B/C)

                     b)过滤器:铜丝网、不锈钢丝网(默认)

 

规格及安装尺寸

undefined

KK-1


注:进出口法兰标准也可根据用户需要按相关标准制造。

 

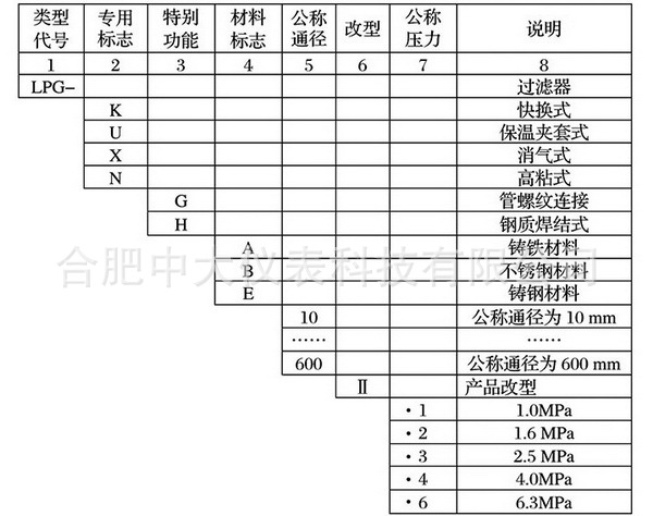
产品标记方法:

undefined

 



合肥中大仪表科技有限公司
手机: 19855105888
传真: 0551-63649058
联系人: 沈昊冉
地址: 安徽省合肥市高新区香樟大道210号
相关产品:
| 首页 | CAS NO | 联系我们 | 会员服务 | 推广服务 | 友情链接 |
版权所有 CopyRight © 2008-2026 粤ICP备08119708号